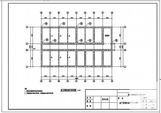
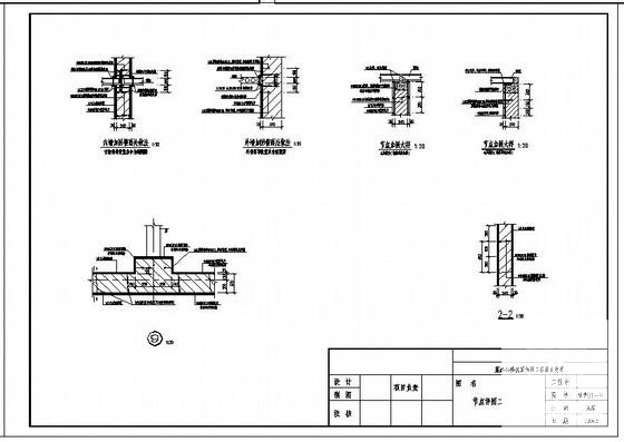
上4层砌体结构办公楼抗震加固结构设计方案CAD图纸
- 发布时间:2023-02-12
- 评论次数:0
- 浏览次数:0
- 文件大小:1.81 MB
- 收藏次数:0
-
文件名称:
附件-995877889555577650776.rar
相关下载
- 砌体结构办公楼抗震加固结构CAD施工图纸
- 小学砌体结构厕所抗震加固设计施工图纸
- 老旧房屋砌体结构抗震加固及改造设计
- 砌体结构办公楼抗震加固结构CAD施工图纸(楼屋盖形式)
- 上3层砌体结构宿舍楼加固结构设计图纸(7度抗震)(平面布置图)
- 4层砌体结构初中宿舍抗震加固CAD施工图纸
- 4层砌体结构教学楼抗震加固CAD施工图纸(砂浆面层)
- 4层砌体结构初中宿舍抗震加固CAD施工图纸
- 办公楼抗震加固结构设计方案图纸(2层条形基础)
- 上两层砌体结构休闲会所建筑结构设计方案CAD施工图纸(6度抗震)
- 6度抗震办公楼附属水池结构CAD施工图纸(砌体结构)
- 砌体结构加固设计说明
- CAD结构抗震加固设计总说明
- 中学教学楼抗震加固结构设计图纸(砌体结构)(多层建筑)
- 上6层砌体结构办公楼结构CAD施工图纸(结构设计总说明)
- 3层砌体结构办公楼加固改造CAD施工图纸
- 政府地上6层砌体结构办公楼加固改造CAD图纸
- 3层砖砌体结构办公楼(原别墅)改造加固CAD施工图纸
- 5层砌体办公楼结构CAD施工图纸(8度抗震)
- 砌体结构办公楼课程设计计算书(word,18页)(建筑抗震设防)
全部评论
评论网友评论仅友表达个人看法,并不表明本站同意其观点,不得发布违反法律法规的内容!
