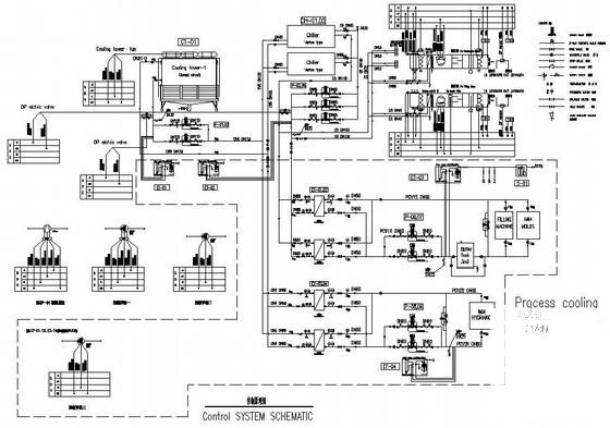
外资公司扩建项目净化车间暖通图纸
- 发布时间:2022-12-30
- 评论次数:0
- 浏览次数:0
- 文件大小:1.14 MB
- 收藏次数:0
-
文件名称:
附件-995858678568577595579.rar
相关下载
- 公司车间改造项目暖通施工CAD图纸
- 汽车公司试制车间扩建图纸.
- 外资电子厂10万级净化车间水电图纸
- 外资电子厂10万级净化车间全CAD图纸
- 外资电子厂10万级净化车间水电图系统图
- 汽车公司试制车间扩建图纸(设计说明)
- 外资电子厂10万级净化车间全CAD施工大样图外资电子厂10万级净化车间全CAD施工大样图
- 外资公司综合厂房结构CAD施工图纸
- 小学改扩建项目地下室暖通施工图纸cad平面图
- 汽车公司总装车间扩建工程电气CAD图纸
- 光电科技公司1K净化车间暧通施工图纸
- 光电科技公司1K净化车间暧通设计CAD施工图纸.dwg
- 工业建筑制剂车间暖通设计CAD施工图纸(万级净化空调)
- 万级净化车间暖通设计CAD施工图纸(14张)
- 栓剂车间净化空调CAD图纸
- 车间净化空调工程CAD图纸
- 车间净化空调CAD施工图纸
- 净化车间设计CAD施工图纸
- 净化车间设计CAD施工图纸
- SMD车间净化空调设计CAD图纸
全部评论
评论网友评论仅友表达个人看法,并不表明本站同意其观点,不得发布违反法律法规的内容!
