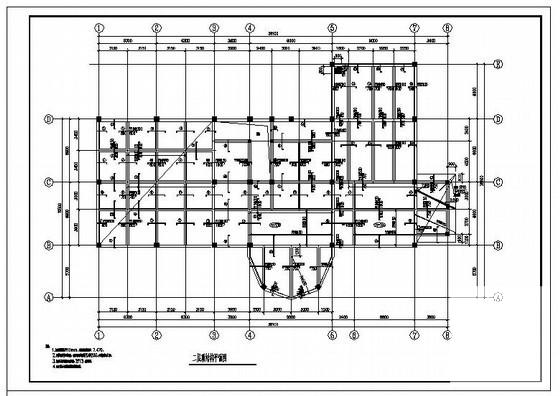
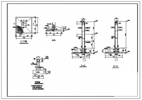
3层休闲中心框架结构设计方案CAD施工图纸
- 发布时间:2022-11-23
- 评论次数:0
- 浏览次数:0
- 文件大小:1.06 MB
- 收藏次数:0
- 
								文件名称: 附件-995876958890686677967.zip 附件-995876958890686677967.zip
								相关下载
							
						- 休闲中心网架毕业设计方案.dwg
- 休闲中心网架毕业设计(建筑结构设计方案CAD图纸)
- 休闲中心水电设计CAD图纸
- 商业休闲娱乐中心规划及建筑设计方案文本.pdf
- 休闲娱乐中心电气CAD施工图纸.dwg
- 休闲度假中心温泉动感中心给排水CAD施工图纸(循环水处理)
- 休闲中心水电设计图纸(15张).dwg
- 水上休闲中心部分照明及配电、防雷系统
- 多层文体休闲中心建筑设计CAD
- 商务休闲楼建筑设计方案.dwg
- 休闲山庄建筑设计方案.dwg
- 3层四星级休闲娱乐中心建筑施工CAD图纸
- 商务休闲中心二次装修电气CAD施工图纸()
- 3层框架休闲中心结构设计CAD施工图纸
- 4层休闲中心建筑消防设计施工大样图
- 休闲座椅施工CAD图纸
- 休闲凉棚施工CAD图纸
- 活动中心框架结构毕业设计方案(图纸)
- 两层框架结构休闲别墅结构CAD施工图纸(建筑图纸)
- 两层框架结构休闲别墅结构CAD施工图纸(建筑图纸)
全部评论
						
							评论网友评论仅友表达个人看法,并不表明本站同意其观点,不得发布违反法律法规的内容!
						
						
 
	              	 
	              	 
	              	