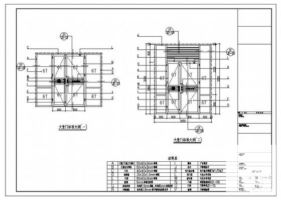
大堂玻璃钢门施工大样图
- 发布时间:2021-11-30
- 评论次数:0
- 浏览次数:0
- 文件大小:0.62 MB
- 收藏次数:0
- 
								文件名称: 附件-995877798987655857655.rar 附件-995877798987655857655.rar
								玻璃钢施工下载
							
						- 大堂玻璃钢门CAD施工大样图
- 高层入户大堂雨棚工程竣工CAD大样图
- 大堂装修电气CAD图纸
- 玻璃钢桥施工CAD详图纸
- 华南保利标准化户型北入户大堂与地下室大堂.dwg
- 宾馆装修改造工程大堂加建结构工程施工大样图
- 3层酒店大堂弱电CAD图纸
- 大堂栏杆详细设计CAD图纸
- 大堂装修电气设计.dwg
- 中式大堂草图纸模型.
- 玻璃钢管道电缆排管敷设CAD图纸
- 玻璃钢管栏杆节点CAD图纸集
- 玻璃钢房结构节点构造CAD详图纸
- 3层酒店大堂弱电CAD施工图纸(dwg)
- 四星酒店大堂CAD施工图纸.dwg
- 接待中心建筑设计图纸(酒店大堂)
- 住宅电梯大堂空调设计CAD平面图
- 酒店大堂平面图纸设计方案.dwg
- 新亚洲风格大堂放大CAD详图纸设计.dwg
- 现代风格大堂放大CAD详图纸设计
全部评论
						
							评论网友评论仅友表达个人看法,并不表明本站同意其观点,不得发布违反法律法规的内容!
						
						
 
	              	 
	              	