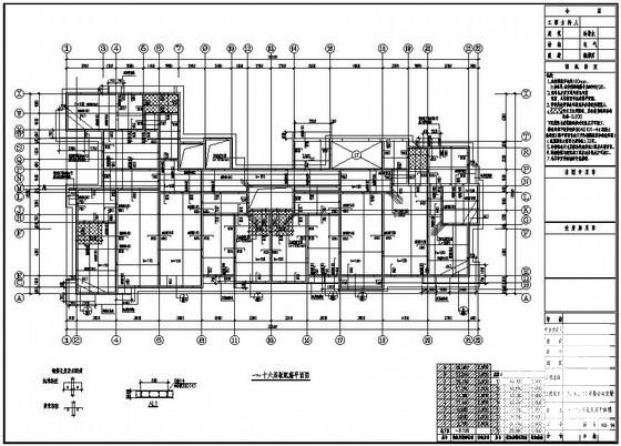
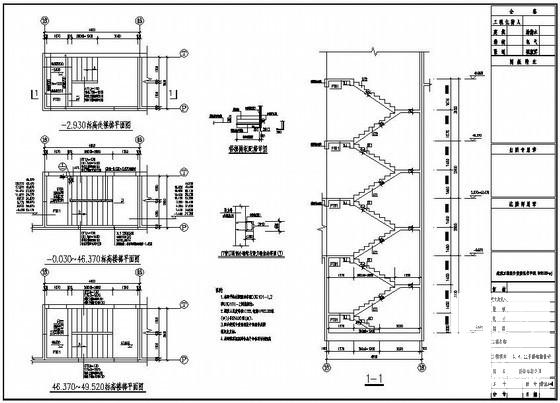
17层住宅楼结构设计方案CAD图纸(钻孔灌注桩)
- 发布时间:2022-11-17
- 评论次数:0
- 浏览次数:0
- 文件大小:1.55 MB
- 收藏次数:0
- 
								文件名称: 附件-995877078868759556897.rar 附件-995877078868759556897.rar
								相关下载
							
						- 24层住宅楼结构设计方案CAD图纸(钻孔灌注桩)
- 钻孔灌注桩设计说明
- 钻孔灌注桩施工说明
- 钻孔灌注桩设计说明
- 钻孔灌注桩施工说明
- 钻孔灌注桩大样及说明
- 钻孔灌注桩结构节点构造详图纸cad
- 住宅楼钻孔灌注桩基础设计CAD图纸(抗压桩抗拔桩)
- 住宅楼钻孔灌注桩基础CAD施工图纸
- 钻孔灌注桩详图纸锚桩详图
- 工程钻孔灌注桩平面及CAD详图纸
- 深基坑支护CAD图纸(钻孔灌注桩)
- 1.5米直径钻孔灌注桩钢筋CAD图纸
- 钻孔灌注桩基础CAD施工图纸
- 钻孔灌注桩锚索支护节点大样CAD图纸
- 钻孔灌注桩说明及节点CAD详图纸
- 后注浆钻孔灌注桩设计CAD详图纸
- 钻孔灌注桩板桩码头全套图纸.dwg
- 钻孔灌注桩节点构造详图纸
- 钻孔灌注桩节点详图纸cad
全部评论
						
							评论网友评论仅友表达个人看法,并不表明本站同意其观点,不得发布违反法律法规的内容!
						
						
 
	              	 
	              	 
	              	