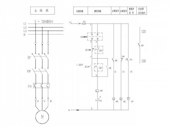
大型污水处理厂电气CAD施工图纸(二次原理图)
- 发布时间:2022-10-29
- 评论次数:0
- 浏览次数:0
- 文件大小:2.31 MB
- 收藏次数:0
- 
								文件名称: 附件-995856795009567777958.rar 附件-995856795009567777958.rar
								相关下载
							
						- 污水处理厂配电房之二次原理图纸.dwg
- 大型厂房电气设计CAD施工图纸(二次原理图)
- 大型厂房电气CAD施工图纸94张(二次原理图)()
- 大型项目供配电工程电气图纸(二次控制原理图)
- 大型污水处理厂电气CAD施工图纸.dwg
- 大型医院综合楼电气CAD施工图纸(二次控制原理图)
- 污水处理厂低压配电成套设计电气CAD图纸(二次控制原理)
- 污水处理厂电气施工图纸
- 污水处理厂电气施工图纸
- 污水处理厂电气施工图纸.
- 建材商场电气CAD施工图纸(二次原理图)
- 污水处理厂电气CAD图纸
- 污水处理厂全套电气CAD图纸
- 雨水或污水泵站全套电气原理图纸及PLC图纸(电气原理图纸).
- 低压电容柜二次原理图纸.
- 水处理厂电气CAD施工图纸最新(电机控制原理图纸)
- 35KV变电站电气二次系统控制原理图纸
- 22层大型综合楼电气CAD施工图纸219张(变配电系统及二次原理图)
- 22层大型综合楼全套电气CAD施工图纸219张(完整变配电系统及二次原理图)
- 污水处理厂电气CAD施工图纸(电气设计说明)
全部评论
						
							评论网友评论仅友表达个人看法,并不表明本站同意其观点,不得发布违反法律法规的内容!
						
						
 
	              	 
	              	 
	              	 
	              	 
	              	