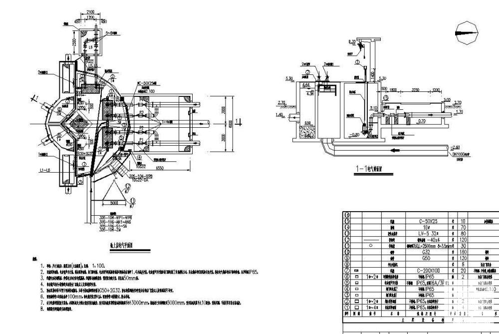
污水处理厂全套电气施工图纸
- 发布时间:2021-12-11
- 评论次数:0
- 浏览次数:0
- 文件大小:5.26 MB
- 收藏次数:0
-
文件名称:
附件-995855698997057787887.rar
污水处理厂全套图纸下载
- 污水处理厂全套电气CAD图纸
- 污水处理厂MSBR工艺设计全套施工图纸
- 污水处理厂完整全套电气设计施工图纸(32张)
- 污水处理厂自动控制全套电气设计施工图纸
- 单层框架结构污水处理厂全套施工图纸
- 2万吨污水处理厂全套施工图纸
- 城市污水处理厂全套工艺图纸.dwg
- 污水处理厂自动控制全套CAD施工图纸
- 污水处理厂氧化沟全套CAD施工图纸
- 污水处理厂全套CAD施工图纸
- 城市污水处理厂全套工艺图纸.dwg
- 2万吨污水处理厂cad全套图纸
- 污水处理厂全套设计CAD施工图纸.dwg
- 污水处理厂全套设计CAD施工图纸.dwg
- 污水处理厂全套电气CAD施工图纸,共6张.dwg
- 污水处理厂全套CAD施工图纸
- 啤酒污水处理厂工艺全套施工大样图
- 城镇污水处理厂全套施工大样图
- 城市污水处理厂全套工艺施工大样图(CASS工艺)
- 城市污水处理厂CASS池图纸
全部评论
评论网友评论仅友表达个人看法,并不表明本站同意其观点,不得发布违反法律法规的内容!
