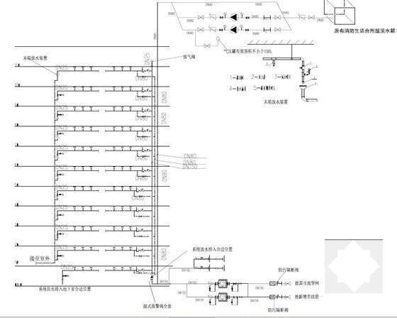
11层病房楼消防改造给排水CAD施工图纸
- 发布时间:2022-10-17
- 评论次数:0
- 浏览次数:0
- 文件大小:8.32 MB
- 收藏次数:0
-
文件名称:
附件-995860889057908770588.rar
相关下载
- 11层病房楼消防改造给排水施工图纸
- 3层医院病房楼改造给排水CAD图纸(消防系统设计)
- 3层医院病房楼改造给排水CAD图纸(施工方案图设计)
- 6层医院病房给排水消防设计CAD图纸
- 6层医院病房给排水消防设计CAD图纸
- 多层病房楼给排水及消防设计CAD施工图纸(室外消火栓系统)
- 8层病房楼消防电气施工图纸
- 同仁堂病房楼消防CAD施工图纸
- 传染病医院病房楼给排水消防设计CAD图纸
- 医院病房楼给排水图纸
- 单层车间改造给排水消防CAD施工图纸
- 一类高层医院科室住院病房改造给排水施工图纸cad
- 15层医院病房大楼给排水消防CAD施工图纸
- 15层医院病房大楼给排水消防CAD施工方案图纸(室外消火栓系统)
- 办公楼改造工程给排水消防CAD施工图纸(自动喷淋系统图)
- 北方办公楼改造给排水消防设计CAD施工图纸
- 4层教学楼改造工程给排水消防CAD施工图纸
- 6层中医院综合病房楼给排水及消防系统CAD施工图纸(大院出品)
- 3889.14平医院病房楼给排水图纸
- 6层医院病房楼给排水CAD图纸
全部评论
评论网友评论仅友表达个人看法,并不表明本站同意其观点,不得发布违反法律法规的内容!
