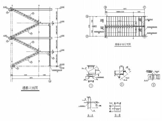
2层钢结构电厂厂房结构CAD施工图纸(平面布置图)
- 发布时间:2022-10-11
- 评论次数:0
- 浏览次数:0
- 文件大小:1.38 MB
- 收藏次数:0
- 
								文件名称: 附件-995877856078509059769.rar 附件-995877856078509059769.rar
								相关下载
							
						- 变电厂钢结构厂房施工组织设计
- 单层轻钢结构厂房结构施工图纸平面布置图
- 钢结构厂房结构CAD施工图纸(平面布置图)
- 钢结构厂房结构CAD施工图纸(单层桩基础)(平面布置图)
- 单层钢结构厂房结构CAD施工图纸(独立基础)(平面布置图)
- 单层排架钢结构厂房结构CAD施工图纸(平面布置图)
- 钢结构厂房结构设计图纸(带吊车)(平面布置图)
- 2层钢结构电厂厂房结构CAD施工图纸
- 2×25米跨钢结构厂房图纸(平面布置图)
- 2×30米跨钢结构厂房CAD图纸(平面布置图)
- 带附跨钢结构厂房设计图纸(平面布置图)
- 4连跨钢结构厂房设计图纸(平面布置图)
- 30x78米钢结构厂房设计图纸(平面布置图)
- 54MX184M跨钢结构厂房图纸(平面布置图)
- 钢结构厂房方案设计cad图纸和平面布置图,钢架详图
- 18米跨单层钢结构排架厂房结构CAD施工图纸(建施)(平面布置图)
- 15m跨钢结构厂房结构设计施工图纸(平面布置图)
- 单层综合管架结构工业厂房CAD施工图纸(钢结构)(平面布置图)
- 门式刚架钢结构异形厂房结构CAD施工图纸(平面布置图)
- 24m跨钢结构厂房结构CAD施工图纸(独立基础)(平面布置图)
全部评论
						
							评论网友评论仅友表达个人看法,并不表明本站同意其观点,不得发布违反法律法规的内容!
						
						
 
	              	 
	              	 
	              	 
	              	 
	              	