上3层框架结构办公楼CAD施工图纸(条形基础,独立基础)
- 发布时间:2022-10-11
- 评论次数:0
- 浏览次数:0
- 文件大小:0.35 MB
- 收藏次数:0
-
文件名称:
附件-995876889656805556657.zip
相关下载
- 4层钢混框架结构综合楼结构施工图纸(独立基础柱下条形基础).
- 国内上5层砌体宿舍楼结构CAD图纸(条形基础,筏形基础)
- 上5层框架结构中学教学楼建筑施工CAD图纸(独立基础)
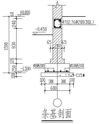
- 条形基础大样
- 地质局16层综合楼建筑结构CAD施工图纸(条形基础独立基础)
- 地上4层框架住宅楼结构CAD施工图纸(条形基础,独立基础)
- 3层框架结构办公楼电气施工图纸(独立砼基础)
- 框架结构办公楼结构设计施工图纸(独立基础)
- 3层框架结构办公楼结构CAD施工图纸(独立基础)
- 6层框架结构办公楼结构CAD施工图纸(独立基础)
- 6层框架结构办公楼CAD施工图纸(独立基础)
- 4层框架结构办公楼结构CAD施工图纸(独立基础)
- 独立基础钢框架结构行政中心办公楼结构CAD施工图纸
- 中学框架结构行政办公楼建筑施工CAD图纸(独立基础)
- 7层独立基础框架结构办公楼结构CAD施工图纸
- 5层独立基础框架结构办公楼结构CAD施工图纸
- 3层框架结构办公楼结构CAD施工图纸(独立基础)
- 框架结构办公楼结构CAD施工图纸(2层独立基础)
- 3层独立条形基础钢筋混凝土框架结构CAD施工方案图纸
- 框架结构办公楼结构施工(3层柱下独立基础)
全部评论
评论网友评论仅友表达个人看法,并不表明本站同意其观点,不得发布违反法律法规的内容!
