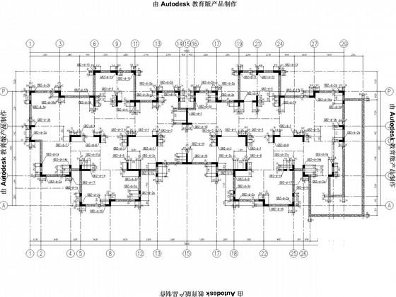
11层小高层住宅楼框剪结构CAD施工图纸(桩基、天然地基)
- 发布时间:2022-09-15
- 评论次数:0
- 浏览次数:0
- 文件大小:1.15 MB
- 收藏次数:0
-
文件名称:
附件-995876668970956567756.zip
相关下载
- 11层小高层住宅楼框剪结构CAD施工方案图纸(桩基、天然地基)
- 框剪小高层结构CAD图纸
- 框剪小高层结构CAD图纸
- 18层框剪小高层全套结构施工图纸(桩基础)
- 11层小高层框剪结构住宅楼结构设计CAD施工图纸(桩基础)
- 14层桩基础框剪小高层住宅楼结构CAD施工图纸
- 小高层框剪结构CAD施工图纸
- 框剪结构小高层住宅楼结构CAD施工图纸
- 经典框剪结构小高层住宅楼结构CAD施工图纸
- 21层小高层框剪结构住宅楼CAD施工图纸,
- 地下1层框剪小高层住宅楼结构CAD图纸
- 框剪小高层结施图纸(全套图纸).dwg
- 12层桩基础坡屋面框剪结构小高层住宅楼结构CAD施工图纸(墙身大样图)
- 11层框剪结构小高层住宅楼结构设计CAD施工图纸(桩基础)
- 框剪结构小高层住宅全套结构CAD施工图纸
- 框剪结构小高层住宅楼结构CAD施工大样图(12层桩基础坡屋面)
- 15层框剪结构小高层住宅楼结构设计施工图纸
- 小高层纯剪住宅楼结构设计CAD施工图纸(桩基础)
- 17层框剪小高层住宅楼结构CAD施工图纸(桩基础)(自行车坡道)
- 天然地基基础设计说明
全部评论
评论网友评论仅友表达个人看法,并不表明本站同意其观点,不得发布违反法律法规的内容!
