- 
   建筑高度类型:高层建筑
  
- 
   建筑设计结构形式:钢筋混凝土结构
  
- 
   钢筋混凝土结构:剪力墙
  
- 
   脚手架搭设:双排
   
    脚手架
   
  
- 
   脚手架支固:落地式脚手架, 悬挑式脚手架, 卸料平台
  
- 
   脚手架计算书:落地式脚手架, 悬挑式脚手架, 卸料平台
  
- 
   编制时间:近代年
  
- 
   基本参数:步距1.5m
  
- 
   施工重点、难点:工程量大 计算复杂
  
  
   附件详情
  
  
   - 
    目录
   
- 
    一、编制依据1
   
- 
    二、项目概要1
   
- 
    三、施工准备5
   
- 
    四、构配件要求5
   
- 
    1 钢管5
   
- 
    2 扣件5
   
- 
    3 脚手板及安全网6
   
- 
    4 悬挑脚手架用型钢6
   
- 
    五、落地式双排扣件式钢管外脚手架6
   
- 
    1 设计参数6
   
- 
    2复核计算书7
   
- 
    3 构造要求16
   
- 
    六、悬挑式双排扣件式钢管外脚手架19
   
- 
    1 设计参数及构造要求20
   
- 
    2 复核计算书21
   
- 
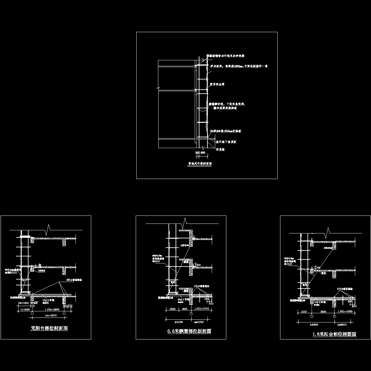
    (1)悬挑式扣件钢管脚手架计算书(无阳台)21
   
- 
    (2)悬挑式扣件钢管脚手架计算书(0.6米飘窗)37
   
- 
    (3)悬挑式扣件钢管脚手架计算书(1.8米阳台)52
   
- 
    七、悬挑卸料平台67
   
- 
    1 设计参数及构造要求67
   
- 
    2 复核计算书68
   
- 
    八、外脚手架搭设、拆除施工要求76
   
- 
    1 搭设77
   
- 
    2 拆除78
   
- 
    九、外脚手架检查与验收79
   
- 
    1 构配件检查与验收79
   
- 
    2脚手架检查与验收80
   
- 
    十、安全文明措施81
   
- 
    十一、应急预案83
   
- 
    十二、附图86
   
 
 
  
   附件详情
  
  
   [广西]商住楼工程外脚手架搭设及拆除施工方案,主要包括项目概要、施工部署、施工方案、施工安全措施等,可供参考学习。
   
   ……
   
   基础预应力高强度钢筋混凝土管桩, 2#、3#楼为剪力墙结构,12#楼及商业裙楼为框架结构。 外架搭设方案:落地式双排钢管脚手架按最大搭设高度21m进行复核验算,悬挑工字钢钢管脚手架按最大搭设高度19.5m复核验算,悬挑梁采用18的工字钢,钢管采用外径48.3mm,壁厚3.6mm。
   
   ……
   
   施工电梯过料平台架:
   
   1、钢管规格采用外径48.3×3.6的焊接钢管,钢管、扣件、脚手板、安全网的材质符合《
   
    建筑施工
   
   扣件式钢管脚手架安全技术规程》JGJ130-近代。
   
   2、施工电梯停层平台架采用落地架和悬挑架搭设,立杆立于室外地坪或工字钢上,悬挑工字钢规格、做法、设置层数与外架悬挑层一致。平台架单独设置,不与外架相连。
   
   3、立杆横间距Lb=1.0m,两端纵距La=0.9m、梯笼处纵距La=1.5m、导轨处纵距La=1.0m;有变形的杆件和不合格的扣件不能使用,扣件拧紧程度要适当,随时校正杆件垂直、水平偏差,避免误差过大。立杆与大横杆必须用十字扣件扣紧,不得隔步设置或遗漏;立杆垂直偏差不应大于架高的1/200。
   
   7、大横杆步距h=1.8m,小横杆贴近立杆布置,并搭于大横杆之上,用直角扣件扣紧。梯笼位置小横杆间距600mm,上铺方木并钉模板;小横杆置于大横杆之上用直角扣件扣紧,在使用过程中不得拆除紧贴立杆的小横杆。
   
   6、连墙件:采用刚性连墙件与建筑物可靠连接,每层用横杆钢管将外架内、外立杆与梁或预埋在砼楼板的短钢管连接加双扣件。
   
   ……
   
   90页,近代年编制。