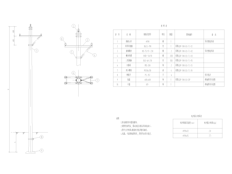
630kVA箱变安装工程施工图纸cad
- 发布时间:2022-06-10
- 评论次数:0
- 浏览次数:0
- 文件大小:3.02 MB
- 收藏次数:0
-
文件名称:
附件-996578750589088975.dwg
相关下载
- 630kVA杆变安装CAD图纸
- 630kVA箱变用电工程设计CAD施工图纸
- 箱变基础及接地网安装CAD图纸
- 箱变基础及接地网安装CAD图纸
- 美式箱变系统
- 630KVA箱变电气CAD图纸
- 630KVA箱变平面布置CAD图纸
- 630KVA箱变电气设计CAD图纸
- 地区箱变基础图纸.
- 配变台架及综合配电箱安装CAD图纸
- 高压厂变、起动备用变低压侧共箱母线安装
- 中学配电房2台630KVA专变工程CAD施工图纸
- 小学临时箱式变安装工程施工图纸2018
- 250kVA配变安装工程施工图纸
- 市区中学配电房2台630KVA专变工程
- 欧式箱变原理设计CAD图纸
- 箱变基础大样CAD图纸
- 主变端子箱CAD详图纸
- 箱变底架焊接CAD图纸
- 箱变风机照明原理CAD图纸
全部评论
评论网友评论仅友表达个人看法,并不表明本站同意其观点,不得发布违反法律法规的内容!
