admin
|
退出
|
登录
|
注册
|
0
积分
|
赚取积分
|
VIP领取积分
|
帮助中心
|
首页
【知石网】是一个专业资料分享学习平台,本站提供大量施工技术文档和设计下载。
首页
施工图纸
施工方案
施工组织
施工交底
合同表格
建筑结构
节点详图
毕业设计
平面图纸
景观设计
电气知识
环保知识
您当前位置:
首页
»
其他文档
»
其他资料
»
凸面反光镜设计图纸cad
凸面反光镜设计图纸cad
资料简介
赚取积分
搜索更多资源
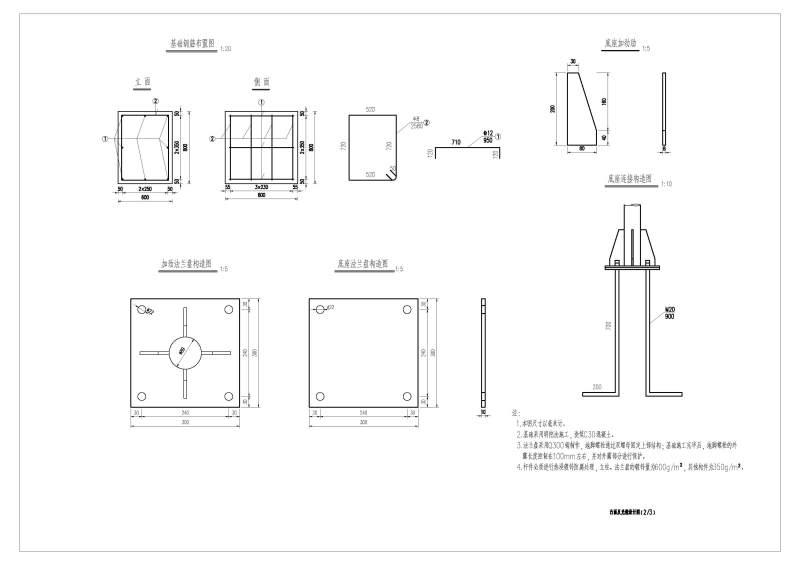
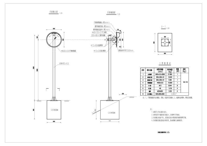
根据搜集的资料,修改完善后,最终设计成果:凸面反光镜设计图,希望对大家有用!凸面反光镜设计图凸面反光镜凸面反光镜大样
以下是附件的其中一部分截图,共3张,您也可以
搜索
更多您想要的资源
第 1 张图
第 2 张图
第 3 张图
以上是部分截图,请下载附件后查看完整高清内容
发布时间:2022-06-02
评论次数:0
浏览次数:0
文件大小:0.32 MB
收藏次数:0
文件名称:
附件-996785965775089608.dwg
下载信息
加入收藏
赚取积分
立即下载
对不起,系统繁忙,请稍后再试,或联系管理员
对不起,您的积分余额不足,请
充值积分
恭喜购买成功!请
下载文件
相关下载
中桥设计图纸
公厕设计CAD图纸
抗滑桩设计CAD图纸
隧道设计CAD图纸
砂箱设计CAD图纸
模板设计CAD图纸
涵洞设计CAD图纸
涵洞设计CAD图纸
小桥设计CAD图纸
涵洞设计CAD图纸
风管设计CAD图纸
灯具设计CAD图纸
抗滑桩设计CAD图纸
海塘设计CAD图纸
机井设计CAD图纸
木桥设计CAD图纸
公厕设计CAD图纸
广场设计CAD图纸
公园设计全套图纸
防洪设计全套图纸.
全部评论
评论
网友评论仅友表达个人看法,并不表明本站同意其观点,不得发布违反法律法规的内容!
下载排行
广场设计图纸
产空调设计施工图纸(设计说明)
16层采暖设计施工图纸(设计说明)
厂房加固设计图纸(加固设计总说明)
宾馆空调设计施工图纸(设计说明)
部属设计院软土路基设计图纸
仓库给排水初步设计设计图纸
道路设计中央分隔带排水设计图纸
广告牌设计节点构造设计详图纸
污水窨井井圈设计节点构造设计详图纸
下载推荐
小区景观设计方案设计CAD图纸
单层厂房供暖设计CAD图纸(设计说明)
棉花滴灌设计平面布置设计CAD图纸
竹门设计CAD图纸详图,含设计说明
各类型路灯基础设计系统设计CAD图纸
各类景石设计方案设计CAD图纸
路基防护设计锚索设计CAD图纸10张
城市政广场设计方案设计图纸
海尔观光塔设计CAD图纸,含设计说明
木屋架仓库设计CAD图纸,含设计说明
网站首页
|
信息产业部备案/许可证编号:苏ICP备2021052619号-1
苏公网安备:32041102001778号
本站所有内容均由网友自主分享,仅供学习和参考,如有侵权内容或者违法行为,请及时联系站长删除。