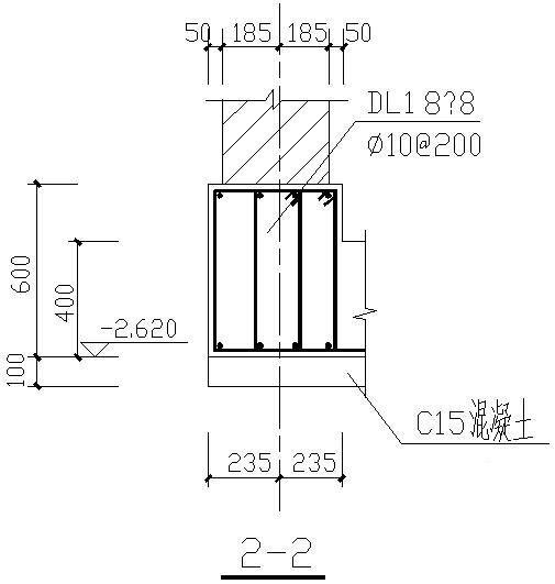
挑板节点构造设计详图纸
- 发布时间:2022-02-20
- 评论次数:0
- 浏览次数:0
- 文件大小:0.12 MB
- 收藏次数:0
-
文件名称:
附件-995797878008695595.rar
相关下载
- 挑板节点构造详细设计CAD图纸
- 板上开洞挑檐节点构造详图纸
- 板上开洞挑檐节点构造CAD详图纸
- 板上开洞挑檐节点构造详细设计CAD图纸(分布筋)
- 悬挑板、无支撑板、折板配筋构造CAD详图纸
- 板上开洞挑檐构造详图纸cad
- 板肋与梁平行且悬挑较短时的节点构造CAD详图纸
- 板肋与梁垂直且悬挑较短时的节点构造CAD详图纸
- 板肋与梁垂直且悬挑较长时的节点构造CAD详图纸
- 无粘结预应力梁及板大样节点构造详施工图纸
- 有粘结预应力梁及板大样节点构造详施工图纸
- 楼梯大样及梯板表节点构造详施工图纸
- 梁板补强(加固)大样(贴钢板)节点构造CAD详施工图纸
- 悬挑梁节点构造设计详图纸
- 悬挑梁缺口节点构造设计详图纸
- 挑檐口屋面支座节点构造设计详图纸
- 网架挑棚结构节点构造详细设计CAD图纸
- 挑梁加固节点构造详细设计CAD图纸
- 无粘结、有粘结预应力梁板节点构造CAD详大样图
- 结构节点构造详施工图纸
全部评论
评论网友评论仅友表达个人看法,并不表明本站同意其观点,不得发布违反法律法规的内容!
