住宅小区基础、后浇带及底板详图纸
- 发布时间:2021-12-12
- 评论次数:0
- 浏览次数:0
- 文件大小:0.1 MB
- 收藏次数:0
- 
								文件名称: 附件-995797795870999595.rar 附件-995797795870999595.rar
								基础底板后浇带下载
							
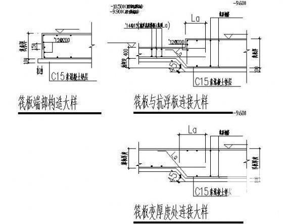
						- 住宅小区基础、后浇带及底板详细设计CAD图纸
- 基础底板或基础梁后浇带构造(超前止水)
- 后浇带详细做法节点构造详细设计CAD图纸(基础底板)
- 底板及外墙后浇带做法节点构造详细设计CAD图纸
- 地下上室底板后浇带节点构造详图纸
- 地下室后浇带底板、立板CAD节点图纸
- 下室底板后浇带处理节点构造详细设计CAD图纸
- 地下上室底板后浇带处理节点构造详图纸cad
- 国内住宅项目底板后浇带模板剖面图纸cad
- 筏板基础钢筋放置及后浇带节点详细设计CAD图纸
- 后浇加强带设计图纸.
- 混凝土膨胀加强带后浇带(节点)
- 现浇梁后浇带节点构造设计图纸
- 后浇带穿梁大样节点构造详图纸
- 现浇梁后浇带节点构造详图纸
- 施工后浇带做法节点构造详图纸
- 后浇带施工支模节点构造详图纸
- 后浇带模板支撑示意节点构造详图纸
- 后浇带详细做法节点构造详图纸
- 现浇混凝土结构后浇带CAD大样图纸
全部评论
						
							评论网友评论仅友表达个人看法,并不表明本站同意其观点,不得发布违反法律法规的内容!
						
						
 
	              	 
	              	