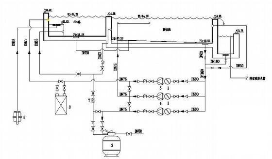
花园五标6#8#游泳池
- 发布时间:2021-12-11
- 评论次数:0
- 浏览次数:0
- 文件大小:0.64 MB
- 收藏次数:0
-
文件名称:
附件-996009576775675687.rar
相关下载
- 五星酒店游泳池CAD图纸
- 花园8#游泳池附件CAD节点图纸
- 评标办法及评标细则.doc
- 常用弱电CAD图纸标
- 标电气CAD图纸例
- 五星级酒店游泳池水处理设计施工图纸
- 五星级宾馆游泳池附带按摩池CAD图纸
- 五星级酒店游泳池、水景池给排水CAD平面图
- 4层五星级酒店室内游泳池设计图纸.dwg
- 五星级大酒店游泳池设计CAD图纸.dwg
- 五星级大酒店游泳池设计图纸.dwg
- 花园住宅室外游泳池水电全套大样图
- 花园工程结构施工图纸(特色水景、游泳池)
- 戴思乐半标池图纸
- 梯形轮廓标结构CAD图纸
- 附着式轮廓标设计CAD图纸
- 公共广播系统CAD图纸标
- 五星级酒店屋顶花园园林景观工程施工图纸
- 五星级30层公寓式酒店给排水CAD图纸(游泳池、高位水箱)
- 五星酒店游泳池设计cad图纸和分流臭氧消毒,氯辅助消毒
全部评论
评论网友评论仅友表达个人看法,并不表明本站同意其观点,不得发布违反法律法规的内容!
