大学宿舍楼电气施工图纸

一. 设计依据

1. 相关专业提供的工程设计资料.

2. 建设单位提供的设计任务书及设计要求.

3. 现行国家主要标准及法规;

<民用建筑 电气设计规范 > JGJ/T 16-92

<供配电系统设计规范> GB50052-95

< 低压配电设计 规范> GB50054-95

<建筑物防雷设计规范> GB 50057-94 版

<建筑 照明设计标准 > GB 50034-94

其它有关国家及地方的现行规程,规范及标准.

二. 设计范围:

1. 照明配电系统;

2. 防雷及接地系统;

3. 有线电视系统;

4. 网络、电话系统;

5. 消火栓起泵控制系统;

6. 智能计量、计费系统。

三. 220/380V配电系统:

1. 供电电源:

该项目供电电源由室外采用一路YJV22-0.6/1KV电缆埋地引至一层值班室总配电柜.电压为380/220V,配电系统采用TN-S。电缆埋深距自然地坪-0.800m。由于整个学校供、前后对称预留穿管,室外电缆敷设行设计。配电方案未定,电源进线暂按图示位置

2. 由总配电柜引出线穿钢管引至各层智能表箱,由各层表箱引出线在水平封闭式金属桥架内敷设,桥架沿梁底敷设,在分支处穿SC20管沿顶、沿墙暗敷至开关户箱。

3. 照明配电:

照明、插座均由不同的支路供电,所有插座回路均设漏电断路器保护.室内照明,插座线路均穿PC管沿墙、板缝暗敷设。

4. 请严格按照三相平衡原则接线及分配负荷;

5.宿舍计量采用DFA型多用户电子智能电表计量(根据甲方要求可设置定时开断电、预付费、限流、恶性负载识别功能)。

四.照明:

1. 照度标准

a. 楼梯间,过道,卫生间等公共场所:20-30- 50Lx;

b. 宿舍: 100~150Lx,照度功率密度为7W/m ;

C. 值班室: 100~150Lx,照度功率密度为7W/m ;

2. 光源选择:走道,楼梯间采用节能型灯;宿舍、值班室为荧光灯照明,要求荧光灯自带电子镇流器装置;

3. 该项目在主要楼道,疏散口设安全出口及疏散指示照明,灯具自带蓄电池。

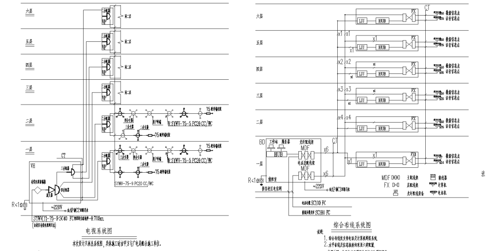
五. 电视:

1. 本楼有线电视引入电缆采用SYWV(Y)-75-9型,由校园有线电视网引来并进入宿舍楼一层值班室的电视前端箱VH, 末端线采用SYWV(Y)-75-5-型射频电缆,在值班室、各宿舍设1个电视插孔;值班室电视插孔距地0.3m暗装,各宿舍电视插孔距地1.4m暗装。

2. 一层值班室电视前端箱引出线沿封闭式金属桥架引至各层电视分配器箱。由电视层分配器箱穿PC20管沿顶、沿墙暗敷至各分支器盒,再由分支器盒穿PC20管引至各宿舍及值班室电视插孔。

3.公用天线电视系统未绘出的相关设备元件型号规格由承担系统的厂商按产品情况选择,但必须保证用户端电平为64U+00B14分贝。施工祥见《共用天线电视系统安装》图集。

某大学宿舍楼电气施工图1

某大学宿舍楼电气施工图2

某大学宿舍楼电气施工图3

某大学宿舍楼电气施工图4

某大学宿舍楼电气施工图5


以下是附件的其中一部分截图,共5张,您也可以 搜索 更多您想要的资源
  • 大学宿舍楼电气 - 1
    大学宿舍楼电气 - 1
  • 大学宿舍楼电气 - 2
    大学宿舍楼电气 - 2
  • 大学宿舍楼电气 - 3
    大学宿舍楼电气 - 3
  • 大学宿舍楼电气 - 4
    大学宿舍楼电气 - 4
  • 大学宿舍楼电气 - 5
    大学宿舍楼电气 - 5
以上是部分截图,请下载附件后查看完整高清内容
网站首页  | 
本站所有内容均由网友自主分享,仅供学习和参考,如有侵权内容或者违法行为,请及时联系站长删除。