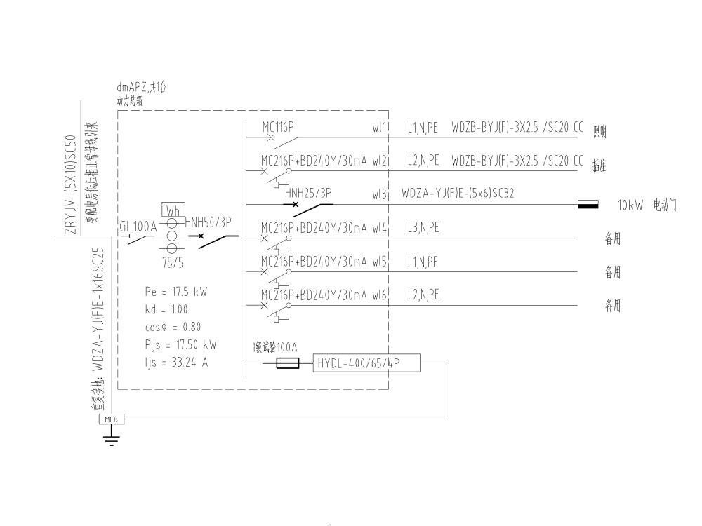
搬迁就业产业园大门工程电气施工图纸
- 发布时间:2021-12-11
- 评论次数:0
- 浏览次数:0
- 文件大小:0.33 MB
- 收藏次数:0
- 
								文件名称: 附件-996099567778656575.dwg 附件-996099567778656575.dwg
								工程电气施工图下载
							
						- 产业园大门结构设计CAD图纸
- 环形电视搬迁方案cad
- 产业园大门结构设计CAD施工图纸.dwg
- 纸业公司搬迁改造工程结构CAD施工图纸
- 产业园总平面及外网工程电气施工图纸
- 产业园锅炉房工程电气施工图纸
- 油库搬迁重建工程施工组织设计(网络计划)
- 化肥厂氨库搬迁工程施工组织设计(吸收塔)
- 设备搬迁工程施工方案(桥式起重机)
- 17层地质灾害搬迁安置房电气CAD施工图纸(车库)
- 6层搬迁安置小区住宅电气设计CAD施工图纸
- 学校大门电气施工图纸
- 学院大门电气CAD施工图纸
- 大酒店搬迁结构CAD施工图纸.dwg
- 工厂设备搬迁施工方案(建筑面积)
- 大酒店搬迁结构CAD施工大样图
- 产业园大门造型建筑图纸及钢结构设计施工图纸
- 产业园大门造型建筑图纸及钢结构设计CAD施工图纸
- 游乐场大门建筑工程电气CAD施工图纸(三级负荷)
- 游乐场大门建筑工程电气CAD施工图纸
全部评论
						
							评论网友评论仅友表达个人看法,并不表明本站同意其观点,不得发布违反法律法规的内容!
						
						
 
	              	 
	              	 
	              	 
	              	