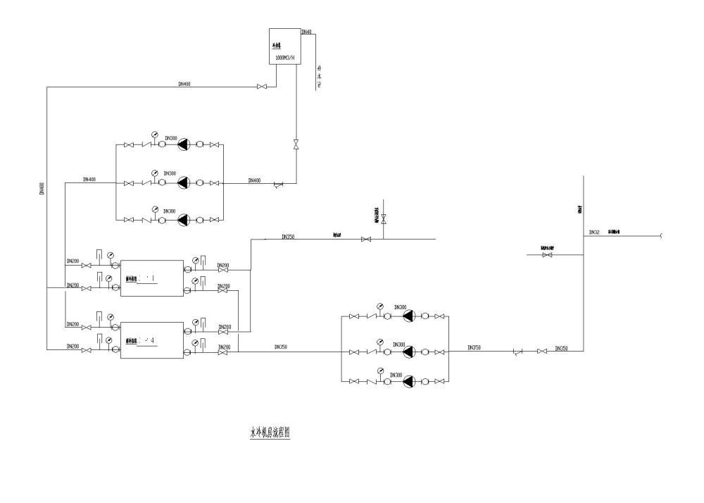
4层2万平商场中央空调施工图纸
- 发布时间:2021-12-11
- 评论次数:0
- 浏览次数:0
- 文件大小:2.69 MB
- 收藏次数:0
- 
								文件名称: 附件-996095967055996807.dwg 附件-996095967055996807.dwg
								中央空调施工图纸下载
							
						- 商场中央空调系统设计施工图纸
- 12000平米商场中央空调施工图纸
- 大型商场中央空调施工图纸
- 商场中央空调改造设计施工图纸.
- 3层商场中央空调设计CAD图纸
- 商场的中央空调设计格式图纸
- 大型商场中央空调(12页CAD图纸)
- 1500平3层商场消防报警图纸.dwg
- 多层商场建筑平立面方案cad平面图
- 中型商场中心建筑中央空调工程系统设计施工图纸
- 18172平米5层购物商场中央空调系统设计施工图纸
- 15297平米3层商场中央空调系统施工设计图纸
- 52000平米大型商场中央空调施工图纸
- 5层中型商场中央空调设计施工图纸
- 建材商场中央空调暖通设计CAD施工图纸
- 5层购物商场中央空调系统设计CAD施工图纸
- 4层建材商场中央空调设计CAD施工图纸
- 商场中央空调改造设计CAD施工图纸,共5张.dwg
- 8层商场中央空调设计CAD施工图纸,地下1层.dwg
- 8000平5层办公楼中央空调施工图纸.dwg
全部评论
						
							评论网友评论仅友表达个人看法,并不表明本站同意其观点,不得发布违反法律法规的内容!
						
						
 
	              	 
	              	 
	              	 
	              	 
	              	