admin
|
退出
|
登录
|
注册
|
0
积分
|
赚取积分
|
VIP领取积分
|
帮助中心
|
首页
【知石网】是一个专业资料分享学习平台,本站提供大量施工技术文档和设计下载。
首页
施工图纸
施工方案
施工组织
施工交底
合同表格
建筑结构
节点详图
毕业设计
平面图纸
景观设计
电气知识
环保知识
您当前位置:
首页
»
其他文档
»
其他资料
»
人工挖孔桩构造详图纸cad
人工挖孔桩构造详图纸cad
资料简介
赚取积分
搜索更多资源
附件详情
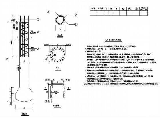
人工挖孔桩构造详图 共1张图纸。
以下是附件的其中一部分截图,共1张,您也可以
搜索
更多您想要的资源
第 1 张图
以上是部分截图,请下载附件后查看完整高清内容
发布时间:2024-01-02
评论次数:0
浏览次数:0
文件大小:0.03 MB
收藏次数:0
文件名称:
附件-996058897066999509.rar
下载信息
加入收藏
赚取积分
立即下载
对不起,系统繁忙,请稍后再试,或联系管理员
对不起,您的积分余额不足,请
充值积分
恭喜购买成功!请
下载文件
相关下载
人工挖孔桩说明
人工挖孔桩说明
人工挖孔桩基详及说明
人工挖孔桩大样图纸
人工挖孔桩大样详图纸
人工挖孔桩大样CAD图纸
人工挖孔桩节点构造详图纸
人工挖孔桩节点构造详图纸cad
人工挖孔桩节点构造详图纸cad
人工挖孔桩节点构造详图纸cad
人工挖孔桩节点构造详图纸cad
人工挖孔桩构造详图纸cad
人工挖孔桩大样表
人工挖孔桩桩基说明
人工挖孔桩设计说明
人工挖孔桩说明cad
人工挖孔桩及桩承台节点构造详图纸cad
人工挖孔灌注桩详图纸
人工挖孔及钻冲孔桩说明CAD图纸
人工挖孔灌注桩CAD施工图纸
全部评论
评论
网友评论仅友表达个人看法,并不表明本站同意其观点,不得发布违反法律法规的内容!
下载排行
人工挖孔桩设计说明(通用CAD图纸)
人工挖孔桩大样图纸cad
人工挖孔桩大样图纸cad
人工挖孔桩节点详图纸cad
人工挖孔桩图纸及说明和挖孔灌注桩详图,挖孔桩顶护筒大样
CAD关于人工挖孔桩大样及说明
人工挖孔桩开挖石方爆破施工方案
人工挖孔灌注桩桩基设计说明
地下室人工挖孔桩节点
人工挖孔灌注桩设计说明
下载推荐
人工挖孔抗拔桩设计说明
人工挖孔桩结构设计说明
人工挖孔灌注桩大样及说明cad
人工挖孔桩大样及设计说明cad
人工挖孔灌注桩结构CAD图纸(圆形桩椭圆形桩)
人工挖孔桩布置图纸及节点构造详图纸cad
椭圆形人工挖孔灌注桩及圆形人工挖孔扩底灌注桩结构CAD图纸
人工挖孔灌注桩施工用节点构造详图纸
人工挖孔灌注桩施工用节点构造详细设计CAD图纸
人工挖孔灌注桩设计说明及节点构造详细CAD图纸
网站首页
|
信息产业部备案/许可证编号:苏ICP备2021052619号-1
苏公网安备:32041102001778号
本站所有内容均由网友自主分享,仅供学习和参考,如有侵权内容或者违法行为,请及时联系站长删除。