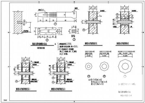
刚性防水穿墙管方式大样节点详图纸cad
- 发布时间:2024-01-02
- 评论次数:0
- 浏览次数:0
- 文件大小:0.19 MB
- 收藏次数:0
- 
								文件名称: 附件-996057058897858975.rar 附件-996057058897858975.rar
								相关下载
							
						- 穿墙套管防水节点
- 混凝土穿墙管节点构造详图纸cad
- 33层住宅楼固定式穿墙管节点大样CAD图纸
- 电气工程明管穿墙与电缆穿管CAD大样图纸
- 7张外墙防水节点详大样图(CAD)
- 砌体结构刚性基础大样节点构造详施工图纸
- 节点CAD详大样图(玻璃幕墙其他幕墙防水做法).dwg
- 7个外墙,变形缝,散水,墙身防水节点CAD详大样图
- 刚性防水套管(A型)安装CAD图纸(混凝土墙)
- 人防地下室CAD图纸(刚性防水套管)
- 基础梁防水构造详cad图纸
- 检查井标准工艺节点构造详细设计CAD图纸1677(刚性防水套管)
- 检查井标准工艺节点构造详细设计CAD图纸(刚性防水套管)
- 管形截面柱的刚性连接节点构造CAD详图纸
- 客运中心管桁架的结构设计(刚性节点).pdf
- 穿墙导管安装图纸.
- 防水节点详图纸大样CAD
- 电气工程暗管穿墙大样CAD图纸
- 型钢节点详大样图2018
- 柱脚节点详大样图
全部评论
						
							评论网友评论仅友表达个人看法,并不表明本站同意其观点,不得发布违反法律法规的内容!
						
						
