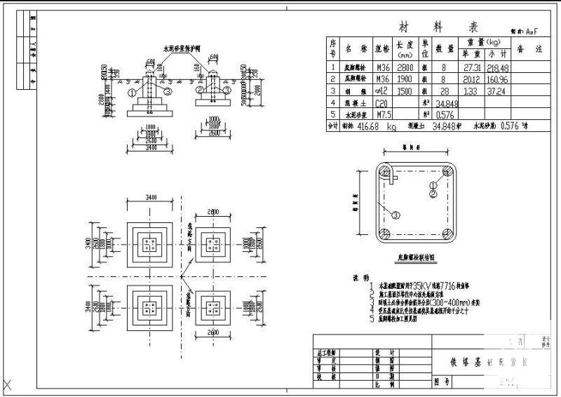
7713、7716角钢塔基础节点构造详图纸cad
- 发布时间:2024-01-02
- 评论次数:0
- 浏览次数:0
- 文件大小:0.08 MB
- 收藏次数:0
- 
								文件名称: 附件-996055079757577880.rar 附件-996055079757577880.rar
								相关下载
							
						- 冷却塔基础节点构造详图纸cad
- 桩基础节点构造CAD详大样图
- 角钢板托加固节点构造详细设计CAD图纸
- 角钢支撑与柱连接节点构造样CAD图纸
- 砖墙与角钢柱连接构造节点CAD详图纸
- 角钢预埋件节点构造详图纸集cad
- 角钢加固空心板节点构造详图纸cad
- 基础梁防水构造详cad图纸
- 角钢托梁加固及角钢托梁并辅助拉条加固砖过梁节点构造详图纸cad
- 柱下混凝土独立基础大样及基础表节点构造详施工图
- 结构节点构造详施工图纸
- 砌体结构构造大样节点构造详施工图纸
- 砌体结构刚性基础大样节点构造详施工图纸
- 大直径箱罐(吸收塔、工艺水箱)基础节点构造详细设计CAD图纸
- 用双角钢与主梁腹板相连节点构造详细设计CAD图纸
- 梁侧底角钢预埋件节点构造CAD详图纸集
- 煤仓钢结构节点构造详施工图纸
- 单斜V节点构造详设计图纸
- 管道钢支架节点构造CAD详施工图纸
- 矮塔斜拉桥节点构造CAD详图纸
全部评论
						
							评论网友评论仅友表达个人看法,并不表明本站同意其观点,不得发布违反法律法规的内容!
						
						
 
	              	