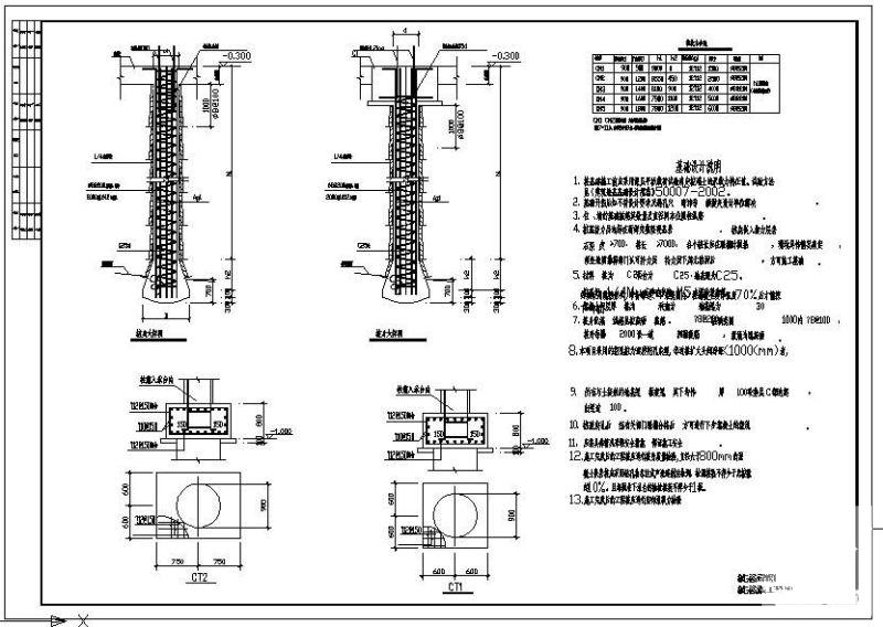
人工灌注桩节点构造详图纸cad
- 发布时间:2024-01-02
- 评论次数:0
- 浏览次数:0
- 文件大小:0.05 MB
- 收藏次数:0
- 
								文件名称: 附件-996055059795596507.rar 附件-996055059795596507.rar
								相关下载
							
						- 人工挖孔灌注桩施工用节点构造详图纸
- 人工挖孔灌注桩施工用节点构造详细设计CAD图纸
- 人工挖孔灌注桩设计说明及节点构造详细CAD图纸
- 人工挖孔灌注桩说明及节点构造CAD详图纸.dwg
- 人工挖孔灌注桩节点构造CAD详图纸.dwg
- 人工挖孔灌注桩节点构造CAD详图纸.dwg
- 人工挖孔灌注桩说明及节点构造CAD详图纸.dwg
- 人工挖孔灌注桩节点构造详图纸cad
- 人工挖孔灌注桩基设计说明及节点构造详图纸cad
- 人工挖孔灌注桩节点构造详图纸cad
- 人工挖孔灌注桩节点构造详图纸cad
- 人工挖孔灌注桩节点构造详图纸cad
- 人工挖孔灌注桩及承台节点构造详图纸cad
- 人工挖孔灌注桩节点构造详图纸cad
- 人工挖孔桩基详及说明
- 结构节点构造详施工图纸
- 人工挖孔灌注桩详图纸
- 人工挖孔灌注桩CAD施工图纸
- 地下室桩基础节点详细设计CAD图纸(人工挖孔灌注桩)
- 人工挖孔灌注桩桩基设计说明
全部评论
						
							评论网友评论仅友表达个人看法,并不表明本站同意其观点,不得发布违反法律法规的内容!
						
						
