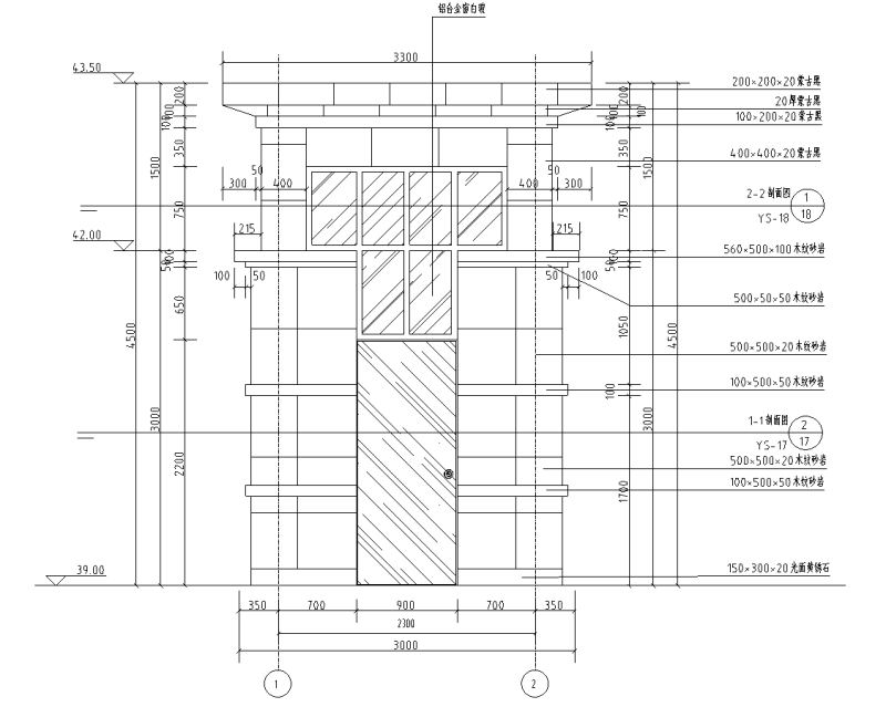
入口岗亭详图纸设计cad平面图
- 发布时间:2024-01-02
- 评论次数:0
- 浏览次数:0
- 文件大小:0.29 MB
- 收藏次数:0
- 
								文件名称: 附件-996579097858689695.dwg 附件-996579097858689695.dwg
								相关下载
							
						- 特色名苑入口岗亭做法详细设计CAD图纸(平面图)
- 小区入口岗亭设计CAD详图纸——泛亚景观
- 现代风格入口岗亭做法CAD详图纸(平面图).dwg
- 欧式风格次入口岗亭详图纸cad平面图
- 住宅小区入口景墙岗亭cad平面图
- 主入口岗亭节点CAD详图纸——泛亚景观
- 居住区主入口岗亭做法CAD详图纸
- 小区入口岗亭景观节点CAD施工图纸
- 小区大门和岗亭施工CAD详大样图
- 小区主入口施工详全套设计CAD图纸
- 入口水景LOGO景墙、岗亭铁艺门详图纸设计
- 特色入口跌水池做法详大样图设计
- 入口跌水施工CAD详大样图
- 采暖热力入口CAD详大样图
- 小区入口门卫室施工CAD详大样图
- 入口跌水施工CAD详大样图
- 经典地块入口岗亭铁艺门LOGO景墙详图纸设计平面图及大样图,剖面图
- 岗亭CAD详图纸
- 单开门岗亭门窗图纸详图纸设计cad平面图
- 双开门岗亭门窗图纸详图纸设计cad平面图
全部评论
						
							评论网友评论仅友表达个人看法,并不表明本站同意其观点,不得发布违反法律法规的内容!
						
						
 
	              	 
	              	 
	              	 
	              	