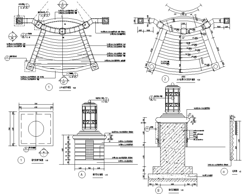
住宅入口跌水景墙灯柱节点详图纸设计cad平面图
- 发布时间:2024-01-02
- 评论次数:0
- 浏览次数:0
- 文件大小:1.42 MB
- 收藏次数:0
-
文件名称:
附件-996579097905907065.dwg
相关下载
- 住宅小区入口跌水景墙灯柱详图纸设计
- 跌级水景节点CAD图纸
- 现代风格住宅小区入口镜面水景节点详大样图设计
- 入口灯柱节点CAD大样图纸
- 现代住宅小区主入口镜面水景详大样图设计
- 主入口景墙、水景详图纸设计
- 三联新古典风格主入口跌水水景详大样图设计
- 喷水景墙及景观灯柱大样详细设计CAD图纸
- 小区入口欧式水景景墙施工做法
- 景墙花钵灯柱节点详图纸设计
- 三联主入口灯柱详图纸设计cad
- 住宅入口景观跌水水池节点详大样图设计
- 星辰园主入口灯柱景观节点详图纸设计cad
- 广场入口水景给排水设计
- 时代典雅住宅入口水景CAD施工图纸
- 跌水景墙水景
- 水景墙施工节点CAD详图纸
- 特色喷水景墙节点CAD图纸
- 学校入口景墙、铁艺门节点详图纸设计cad平面图
- 入口水景LOGO景墙、岗亭铁艺门详图纸设计
全部评论
评论网友评论仅友表达个人看法,并不表明本站同意其观点,不得发布违反法律法规的内容!
