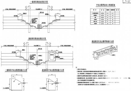
公路路基路面排水设计图纸14张(支挡防护坦拱植物纤维毯).
- 发布时间:2024-01-02
- 评论次数:0
- 浏览次数:0
- 文件大小:4.75 MB
- 收藏次数:0
-
文件名称:
附件-995799857955085506.rar
相关下载
- 高速公路路基支挡、防护工程设计图纸CAD
- 路基防护及路基路面排水设计通用图_路基防护工程cad图
- 城市III级主干道路基支挡防护节点CAD详图纸设计
- 公路路基与路面排水CAD图集
- 路基路面防护设计CAD图纸
- 二级公路工程路基路面及防护排水施工大样图
- 高速公路路基路面排水设计CAD图纸
- 路基防护及路基路面排水设计通用图纸边坡植草图
- 高速公路路基路面及排水工程施工图纸设计边坡绿化防护图
- 市政道路路基支挡防护工程设计cad图纸和连接梯步设计图
- 村级公路路基路面施工图纸设计横断面图及路基防护标准图
- 路基路面防护工程设计通用CAD图纸
- 一套路基路面防护设计CAD图纸
- 高速路基路面综合设计防护工程CAD图纸
- 公路工程路基防护设计节点CAD详图纸
- 交通工程路基/路面/排水/防护/环保CAD施工图纸
- 村级公路路基路面CAD施工图纸设计
- 公路工程路基路面设计图纸范本.
- 公路改造工程路基路面排水工程节点CAD详图纸设计
- 高速公路路基路面排水工程设计CAD图纸全套25张
全部评论
评论网友评论仅友表达个人看法,并不表明本站同意其观点,不得发布违反法律法规的内容!
