admin
|
退出
|
登录
|
注册
|
0
积分
|
赚取积分
|
VIP领取积分
|
帮助中心
|
首页
【知石网】是一个专业资料分享学习平台,本站提供大量施工技术文档和设计下载。
首页
施工图纸
施工方案
施工组织
施工交底
合同表格
建筑结构
节点详图
毕业设计
平面图纸
景观设计
电气知识
环保知识
您当前位置:
首页
»
其他文档
»
其他资料
»
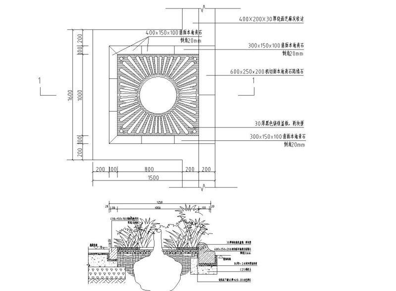
特色多种树池做法详图纸设计
特色多种树池做法详图纸设计
资料简介
赚取积分
搜索更多资源
该附件为:
特色多种树池做法详图设计
特色多种树池做法详图设计 (1).jpg
特色多种树池做法详图设计 (2).jpg
特色多种树池做法详图设计 (3).jpg
特色多种树池做法详图设计 (4).jpg
特色多种树池做法详图设计 (5).jpg
以下是附件的其中一部分截图,共5张,您也可以
搜索
更多您想要的资源
第 1 张图
第 2 张图
第 3 张图
第 4 张图
第 5 张图
以上是部分截图,请下载附件后查看完整高清内容
发布时间:2021-12-08
评论次数:0
浏览次数:0
文件大小:0.4 MB
收藏次数:0
文件名称:
附件-996099779795659556.dwg
下载信息
加入收藏
赚取积分
立即下载
对不起,系统繁忙,请稍后再试,或联系管理员
对不起,您的积分余额不足,请
充值积分
恭喜购买成功!请
下载文件
相关下载
50种树池做法CAD详图纸
四种树池种植池做法CAD详图纸
特色入口跌水池做法详大样图设计
特色花池坐凳做法详大样图设计
特色树池、坐凳做法详图纸设计
坐凳树池做法详大样图设计
特色圆形树池做法CAD详图纸
5种树池施工CAD详图纸
5种树池施工CAD详图纸
特色三个圆形树池详图纸做法详图纸设计
居住区特色树池坐凳做法节点详图纸设计
架空层树池坐凳做法详大样图设计
特色树池详图纸设计
现代特色水池做法大样
三种树池施工大样CAD图纸
方形树池施工做法
特色树池CAD施工图纸
特色树池施工CAD图纸
特色木质凉亭设计CAD详施工图纸
特色景观亭做法详图纸
全部评论
评论
网友评论仅友表达个人看法,并不表明本站同意其观点,不得发布违反法律法规的内容!
下载排行
特色水景墙做法CAD详图纸
特色水景做法CAD详图纸
特色水景做法CAD详图纸
特色L形叠水池详大样图设计
特色连理枝树池设计CAD图纸
特色水池、停车位做法节点详图纸设计
特色跌水池景观做法节点详图纸设计
主入口特色景墙做法详图纸设计
特色景观亭做法详细设计CAD图纸
特色灯柱做法详图纸设计cad
下载推荐
现代风格水池做法详大样图设计
螺蛳湾树池、花池做法详图纸设计
知名企业方形树池做法详图纸设计
锈钢板树池,雕塑做法详图纸设计
卵石框树池做法节点详图纸设计
石坐凳树池做法详图纸设计
树池、坐凳做法详图纸设计
圆形坐凳树池做法详图纸设计
坐凳、树池做法详图纸设计
树池、平地透水树池做法节点详图纸设计
网站首页
|
信息产业部备案/许可证编号:苏ICP备2021052619号-1
苏公网安备:32041102001778号
本站所有内容均由网友自主分享,仅供学习和参考,如有侵权内容或者违法行为,请及时联系站长删除。