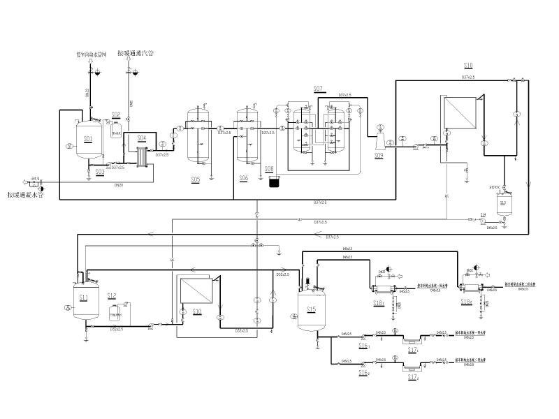
西药生产车间给排水设计施工图纸
- 发布时间:2021-12-08
- 评论次数:0
- 浏览次数:0
- 文件大小:1.79 MB
- 收藏次数:0
- 
								文件名称: 附件-996977009885779886.dwg 附件-996977009885779886.dwg
								给排水设计图纸下载
							
						- 家具生产车间给排水消防CAD施工图纸
- 西药制剂车间凝结水箱补水箱大样CAD图纸
- 5层丙类生产车间给排水设计CAD施工图纸.dwg
- 生产车间钢结构施工图纸
- 生产车间电气CAD施工图纸
- 生产车间电气CAD施工图纸
- 生产车间电气施工图纸
- 工厂生产车间、仓库、办公楼给排水CAD图纸(建筑设计防火规范)
- 科研楼、生产车间、综合楼、人防给排水设计(自动喷水灭火系统)
- 生产车间施工组织设计(可复制)
- 生产车间施工组织设计(框排结构)
- 浦东张江九洲霸厂区生产车间给排水CAD施工图纸,
- 中药厂饮片生产车间给排水施工大样图
- 生产线主生产车间结构设计图纸
- 生产线主生产车间结构设计CAD图纸
- 生产车间钢结构设计图纸
- 生产车间及办公室空调设计CAD图纸
- 服装厂生产车间空调设计CAD图纸
- 药品生产车间暖通工程施工图纸
- 生产车间工艺设备施工图纸
全部评论
						
							评论网友评论仅友表达个人看法,并不表明本站同意其观点,不得发布违反法律法规的内容!
						
						
 
	              	 
	              	 
	              	 
	              	 
	              	