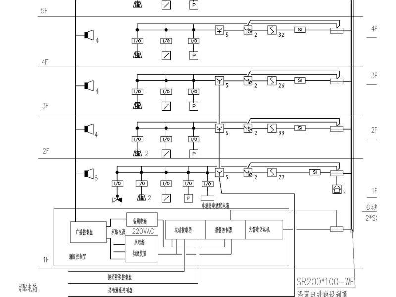
医院电气强弱电施工图纸
- 发布时间:2021-11-23
- 评论次数:0
- 浏览次数:0
- 文件大小:2.8 MB
- 收藏次数:0
-
文件名称:
附件-995868595797857895557.dwg
医院电气施工图纸下载
- 12层县医院病房大楼电气施工图纸(强弱电)
- 6层知名眼科医院强弱电系统电气施工图纸
- 15层大型医院强弱电系统全套电气施工图纸132张
- 12层医院综合楼强弱电系统电气CAD施工图纸
- 6层眼科医院强弱电系统电气CAD施工图纸(水暖)(闭路电视监控)
- 12层医院综合楼强弱电系统电气CAD施工图纸(火灾自动报警)
- 5层医院门诊楼强弱电CAD施工图纸(电气设计说明)
- 5层医院门诊楼强弱电CAD施工图纸28张(电气设计说明)
- 医院电气CAD图纸
- 12320平米4层医院门诊楼强弱电施工图纸
- 高层精神病医院强弱电施工图纸
- 7层医院强弱电CAD施工图纸(照明布置图)
- 5层医院强弱电CAD施工图纸(给排水、暖通)
- 4层医院门诊楼强弱电CAD施工图纸22张
- 高层医院强弱电CAD施工图纸(动力配电系统)(TN-S)
- 5层医院强弱电CAD施工图纸(给排水、暖通)(综合布线系统)()
- 4层医院门诊楼强弱电CAD施工图纸
- 7层医院门诊住院综合楼强弱电CAD施工图纸
- 医院门诊楼强弱电CAD施工图纸28张
- 4层医院门诊楼强弱电CAD施工图纸22张
全部评论
评论网友评论仅友表达个人看法,并不表明本站同意其观点,不得发布违反法律法规的内容!
