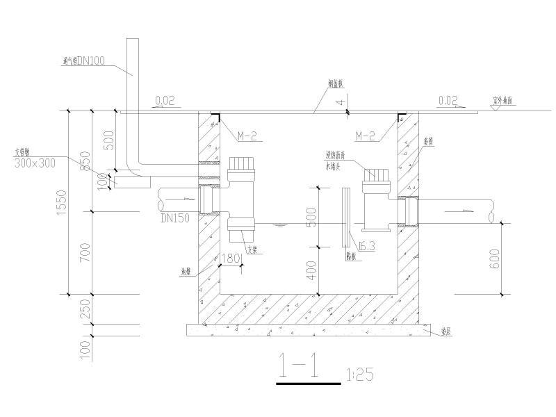
意味餐饮隔油池大样图纸
- 发布时间:2021-12-06
- 评论次数:0
- 浏览次数:0
- 文件大小:0.7 MB
- 收藏次数:0
-
文件名称:
附件-996986788757757889.dwg
隔油池大样图下载
- 隔油池标准图纸
- 隔油池CAD图纸
- 隔油池标准CAD图纸
- 集水坑(带隔油池)大样图纸
- 隔油池(CAD平面图)
- 公共食堂隔油池节点详细设计CAD图纸
- 砖砌三级隔油池大样图纸(CAD平面图)
- 三级沉淀池、隔油池节点详细设计CAD图纸
- 2层综合楼含隔油池电缆沟结构施工大样图(CAD)
- 水封井及隔油井CAD大样图纸
- 变压器事故油池布置图纸
- 隔震层CAD施工图纸
- 隔油调节池施工CAD图纸
- 隔震设计与施工安全说明
- 建筑隔震结构设计
- 消防水泵隔振安装CAD图纸(钢结构节点大样)
- 餐饮中心消防设计CAD图纸
- 餐饮多层建筑暖通施工大样图纸排风系统平面图
- 2层车间改餐饮砖混加固结构施工方案大样图
- 多层餐饮建筑空调通风系统设计施工大样图
全部评论
评论网友评论仅友表达个人看法,并不表明本站同意其观点,不得发布违反法律法规的内容!
