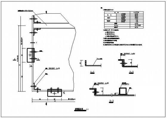
干挂铝单板幕墙节点CAD详大样图
- 发布时间:2023-12-28
- 评论次数:0
- 浏览次数:0
- 文件大小:0.5 MB
- 收藏次数:0
-
文件名称:
附件-995798595056587095.rar
相关下载
- 干挂铝单板幕墙剖面CAD图纸
- 干挂铝单板幕墙节点详细设计CAD图纸(广告指示牌)
- 干挂石材幕墙节点构造CAD详大样图
- 99个干挂石材幕墙节点CAD详大样图
- 钢结构雨篷铝单板幕墙节点图纸
- 铝板幕墙铝单板与窗户连接节点图纸
- 铝单板幕墙勒角收口节点图纸
- 石材幕墙干挂节点CAD图纸
- 石材幕墙干挂节点CAD图纸
- 干挂石材幕墙封底节点图纸
- 铝单板幕墙雨篷节点CAD施工大样图
- 铝单板檐口构件节点图纸2018
- 铝单板立柱安装节点图纸
- 综合服务大厅幕墙CAD施工大样图_玻璃铝单板幕墙
- 干挂石材幕墙工程CAD大样图
- 干挂石材幕墙节点构造详细设计CAD图纸
- 干挂铝塑板幕墙节点详细设计CAD图纸
- 石材幕墙节点详细设计CAD图纸(石材干挂)
- 医院干挂石材幕墙CAD节点图纸
- 干挂铝塑板幕墙节点详细设计CAD图纸
全部评论
评论网友评论仅友表达个人看法,并不表明本站同意其观点,不得发布违反法律法规的内容!
