您当前位置:首页 »  其他文档 » 其他资料 »  全套等电位CAD图纸大全

全套等电位CAD图纸大全

一、等电位联结的分类及其联结的导电部分

1.总等电位联结

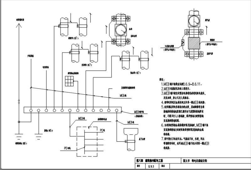
总等电位联结(main equipotential bonding,MEB) 的作用在于降低建筑物内间接接触电击的接触电压和不同金属部件间的电位差,并消除自建筑物外经电气线路和各种金属管道引入的危险故障电压的危害。它应通过进线配电箱近旁的总等电位联结端子板(接地母排)将下列导电部分互相连通:

2.辅助等电位联结

将两导电部分用导线直接作等电位联结,使故障接触电压降至接触电压限值以下,称作辅助等电位联结(supplementaryequipotential bonding,SEB)。

下列情况下需做辅助等电位联结:

(1)电源网络阻抗过大,使自动切断电源时间过长,不能满足防电击要求时;

(2)自TN系统同一配电箱供给固定式和移动式两种 电气设备 ,固定式设备;

(3)保护电器切断电源时间不能满足移动式设备防电击要求时;

(4)为满足浴室,游泳池,医院手术室等场所对防电击的特殊要求时。

3.局部等电位联结

当需在一局部场所范围内作多个辅助等电位联结时,可通过局部等电位联结端子板将下列部分互相连通,以简便地实现该局部范围内的多个辅助等电位联结,被称作局部等电位联结(local equipotential bonding,LEB)。

(1)PE母线或PE干线;

(2)公用设施的金属管道;

(3)如果可能,包括建筑物金属结构。

二、等电位联结线和等电位联结端子板的选用

等电位联结线和等电位联结端子板宜采用铜质材料。

1.等电位联结线的截面

2.等电位联结端子板的截面不得小于所接等电位联结线截面

三、等电位联结的安装要求

目前我国等电位联结的实施尚在起始阶段,等电位联结用的金具和端子板尚无定型产品供应,建筑材料、设备(如浴盆)和一些铸铁管也尚未配置等电位联结用的接线端子,给施工安装增加了一些困难,也影响连接的美观,需在现场设法克服,下面就一些有关安装方面的问题作些说明。

(1)金属管道的连接处一般不需加接跨接线。

(2)给水系统的水表需加接跨接线,以保证水管的等电位联结和接地有效。

(3)装有金属外壳排风机、空调器的金属门、窗框或靠近电源插座的金属门、窗框以及距外露可导电部分伸臂范围内的金属栏杆、天花龙骨等金属体需做等电位联结。

(4)为避免用煤气管道作接地极,煤气管入户后应插入一绝缘段(例如在法兰盘间插入绝缘板)以与户外埋地的煤气管隔离。为防雷电流在煤气管道内产生电火花,在此绝缘段两端应跨接火花放电间隙(图8.6.3)。此项工作由煤气公司确定。

(5)一般场所离人站立处不超过10m的距离内如有地下金属管道或结构即可认为满足地面等电位的要求,否则应在地下加埋等电位带。游泳池之类特殊电击危险场所需增大地下金属导体密度,见第8.6.7图。

(6)等电位联结内各联结导体间的连接可采用焊接,焊接处不应有夹渣、咬边、气孔及未焊透情况;也可采用螺栓连接,这时应注意接触面的光洁、足够的接触压力和面积;也可采用熔接。在腐蚀性场所应采取防腐措施,如热镀锌或加大导线截面等。等电位联结端子板应采取螺栓连接,以便拆卸进行定期检测。

(7)当等电位联结线采用钢材焊接时,应采用搭接焊并应满足如下要求:

① 扁钢的搭接长度应不小于其宽度的二倍,三面施焊(当扁钢宽度不同时,搭接长度以宽的为准)。

② 圆钢的搭接长度应不小于其直径的六倍,双面施焊(当直径不同时,搭接长度以直径大的为准)。

③圆钢与扁钢连接时,其搭接长度应不小于圆钢直径的六倍。

④扁钢与钢管(或角钢)焊接时,除应在其接触部位两侧进行焊接外,并应焊以由扁钢弯成的弧形面(或直角形)与钢管(或角钢)焊接。

(8)当等电位联结线采用不同材质的导体连接时,可采用熔接法进行连接,也可采用压接法,压接时压接处应进行热搪锡处理。

(9)等电位联结用的螺栓、垫圈、螺母等应进行热镀锌处理。

(10)等电位联结线应有黄绿相间的色标。在等电位联结端子板上应刷黄色底漆并标以黑色记号,其符号为“ ”。

(11)对于暗敷的等电位联结线及其连接处,电气施工人员应做隐检记录及检测报告。对于隐蔽部分的等电位联结线及其连接处,应在竣工图上注明其实际走向和部位。

(12)为保证等电位联结的顺利施工和安全运作,电气、 土建 、水、暖等施工和管理人员需密切配合。管道检修时,应由电气人员在断开管道前预先接通跨接线。以保证等电位联结的始终导通。

四、等电位联结导通性的测试

等电位联结安装完毕后应进行导通性测试,测试用电源可采用空载电压为4~24V的直流或交流电源。测试电流不应小于0.2A。当测得等电位联结端子板与等电位联结范围内的金属管道等金属体末端之间的电阻不超过3Ω时,可认为等电位联结是有效的。如发现导通不良的管道连接处,应作跨接线。在投入使用后应定期作测试。

五、图纸展示





整套


以下是附件的其中一部分截图,共5张,您也可以 搜索 更多您想要的资源
  • 全套等电位CAD图纸大全 - 1
    第 1 张图
  • 全套等电位CAD图纸大全 - 2
    第 2 张图
  • 全套等电位CAD图纸大全 - 3
    第 3 张图
  • 全套等电位CAD图纸大全 - 4
    第 4 张图
  • 全套等电位CAD图纸大全 - 5
    第 5 张图
以上是部分截图,请下载附件后查看完整高清内容
网站首页  | 
本站所有内容均由网友自主分享,仅供学习和参考,如有侵权内容或者违法行为,请及时联系站长删除。