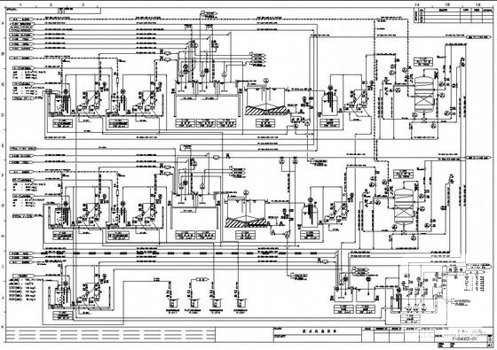
电镀废水处理工艺详图纸
- 发布时间:2023-12-28
- 评论次数:0
- 浏览次数:0
- 文件大小:1.27 MB
- 收藏次数:0
-
文件名称:
附件-995870795659877767.rar
相关下载
- 电镀厂废水处理工艺.dwg
- 1000吨电镀废水处理工艺CAD施工图纸
- 1000吨电镀废水处理工艺设计CAD施工图纸
- 工厂电镀废水处理设计CAD图纸
- 电镀废水处理套CAD图纸(施工方案图设计)
- 矿业废水处理工艺设计图纸.
- 高盐废水处理工艺图纸.dwg
- 石材城废水处理站工艺图纸.dwg
- 纺丝车间废水处理工艺图纸.dwg
- 300吨香料香精废水处理工程水工艺设计施工图纸(UASB工艺PACT)
- 300吨香料香精废水处理工程水工艺设计CAD施工图纸(UASB工艺PACT)
- 垃圾填埋场废水处理工艺图纸(CAD图纸)
- 食品废水处理工程工艺图纸平面布置图
- 工业园区石材废水处理工艺CAD施工图纸
- 工业铅酸废水处理工艺施工图纸(屋顶CAD平面图)
- 屠宰厂废水处理工艺设计CAD图纸(平面布置图)
- 线路板厂生产废水处理工艺流程CAD图纸
- 医疗废水处理池废气除臭工艺CAD图纸(建筑面积)
- 制药集团高浓度废水处理工程的工艺CAD图纸
- 造纸废水处理工艺高程CAD图纸
全部评论
评论网友评论仅友表达个人看法,并不表明本站同意其观点,不得发布违反法律法规的内容!
