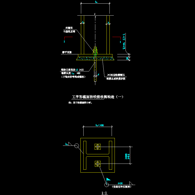
工字形截面柱铰接柱脚节点构造CAD详图纸(一)
- 发布时间:2023-12-28
- 评论次数:0
- 浏览次数:0
- 文件大小:0.03 MB
- 收藏次数:0
-
文件名称:
附件-995907576889985799.rar
相关下载
- 工字形截面柱铰接柱脚节点构造CAD详图纸
- 工字形截面柱铰接柱脚节点构造CAD详图纸
- 工字形截面柱铰接柱脚构造节点CAD详图纸
- 工字形截面柱铰接柱脚节点构造CAD详图纸(二)
- 工字形截面柱铰接柱脚节点构造CAD详图纸
- 工字形截面柱铰接柱脚节点构造CAD详图纸
- 工字形截面柱铰接柱脚构造节点详图纸cad
- 工字形截面柱铰接柱脚构造详细设计CAD图纸
- 工字形截面柱铰接柱脚构造CAD详图纸
- 工字形截面柱铰接柱脚构造CAD详图纸
- 工字形截面柱铰接柱脚节点CAD详图纸
- 工字形截面柱的刚性柱脚节点构造CAD详图纸
- 工字形截面柱刚性柱脚节点构造CAD详图纸
- 工字形截面柱柱脚构造节点详图纸cad
- 工字形截面柱的刚性柱脚构造CAD详图纸
- 箱形截面柱刚性柱脚节点构造CAD详图纸(一)
- 钢结构节点选之柱脚CAD节点图纸(27页图纸)(工字形截面)
- 工字形截面柱的工地拼接及耳板的设置节点构造CAD详图纸(一)
- 箱形截面柱刚性柱脚构造CAD详图纸
- 变截面工字形边柱节点构造详细设计CAD图纸
全部评论
评论网友评论仅友表达个人看法,并不表明本站同意其观点,不得发布违反法律法规的内容!
