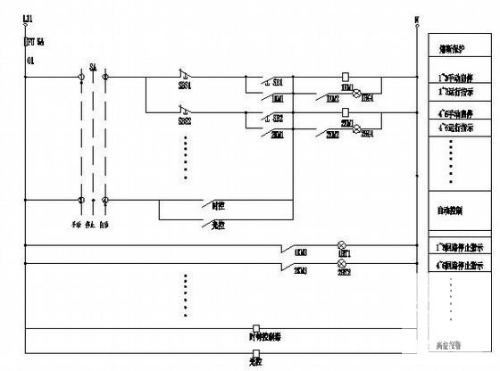
路灯控制柜原理施工图纸
- 发布时间:2021-12-03
- 评论次数:0
- 浏览次数:0
- 文件大小:2.23 MB
- 收藏次数:0
- 
								文件名称: 附件-995857850767889550550.rar 附件-995857850767889550550.rar
								路灯施工图纸下载
							
						- 水泵控制柜原理CAD图纸
- 路灯箱控制原理CAD图纸
- 路灯照明电气原理CAD图纸
- 箱变路灯控制原理CAD图纸
- 185KW变频控制柜原理CAD图纸
- 消防稳压控制柜原理CAD图纸
- 双电源供电控制柜原理CAD图纸
- 全自动控制柜控制原理CAD图纸
- 压缩机控制柜原理CAD图纸
- 水泵控制柜控制原理CAD图纸
- 照明系统路灯控制原理CAD施工图纸
- 厂区路灯工程电气CAD图纸(控制原理)
- 路灯控制箱控制原理CAD图纸
- 路灯照明控制箱控制原理CAD图纸
- 路灯时控箱控制原理CAD图纸
- 路灯照明配电控制原理CAD图纸
- 污水处理器控制柜原理CAD图纸
- 恒温烘房电气控制柜原理CAD图纸
- 医院排污泵控制柜电气原理CAD图纸
- 西门子变频风机控制柜原理接线CAD图纸
全部评论
						
							评论网友评论仅友表达个人看法,并不表明本站同意其观点,不得发布违反法律法规的内容!
						
						
 
	              	