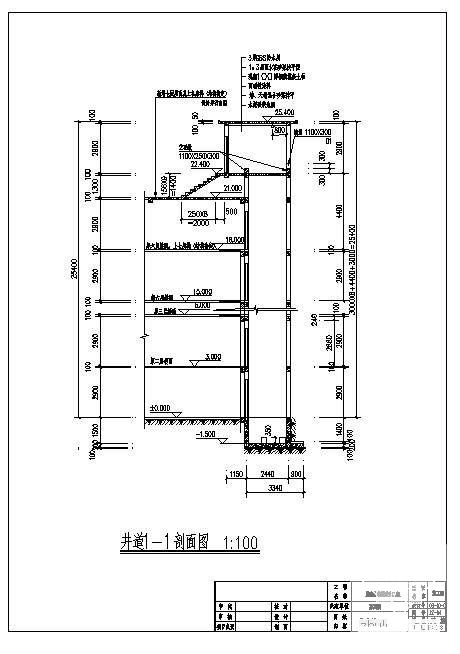
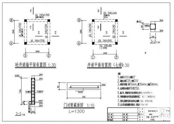
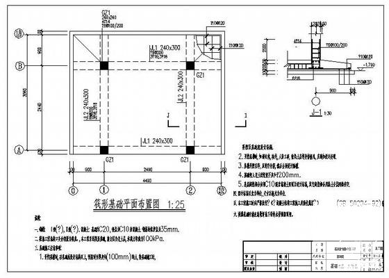
宾馆电梯井工程建筑结构图纸(大样图)
- 发布时间:2021-11-22
- 评论次数:0
- 浏览次数:0
- 文件大小:0.26 MB
- 收藏次数:0
-
文件名称:
附件-995878590776598805095.rar
电梯井结构大样图下载
- 宾馆电梯井工程建筑结构CAD大样图
- 电梯井结构CAD施工图纸
- 电梯井结构图纸.
- 电梯井节点构造详图纸cad
- S6抗渗电厂钢结构电梯井建筑结构施工图纸
- 工程电梯井内筒壁模板截面图纸cad
- 工程电梯井内筒壁模板制作图纸cad
- 电梯井结构施工图纸(6张图纸)
- 电梯井钢构结构设计施工大样图
- 电梯井钢构结构设计CAD施工大样图
- 6层电梯井加固改造结构施工图纸
- 钢框架结构电梯井结构施工图纸
- 电梯井坑大样节点构造设计详图纸
- 电梯井钢结构做法节点构造设计详图纸
- 洞口电梯井楼梯防护示意节点构造详图纸
- 电梯井模板节点构造详图纸(一)
- 电梯井模板节点构造详图纸(二)
- 电梯井坑大样节点构造详图纸
- 电梯井详细设计CAD图纸(机房平面图)
- 电梯井基坑槽钢支护结构CAD图纸
全部评论
评论网友评论仅友表达个人看法,并不表明本站同意其观点,不得发布违反法律法规的内容!
