双线、单线铁路特大桥工程总体施工方案(2013)

附件详情

  • 1.项目概要
  • 2.施工队伍安排
  • 3.施工顺序及进度安排
  • 4.主要施工机械配备
  • 5.主要项目施工方案
  • 6.基础施工方法及工艺
  • 6.1.明挖基础
  • 6.2.钻孔桩基础
  • 6.3.承台
  • 6.4.实体墩
  • 6.5.空心墩
  • 6.6.桥台
  • 6.7.沉降观测
  • 7.连续梁挂篮悬臂现浇施工方法及工艺
  • 8.简支箱梁支架现浇施工方法及工艺
  • 8.1.支架设计
  • 8.2.地基处理
  • 8.3. 脚手架 的施工
  • 8.4.预压及预拱度的设置
  • 8.5.交通通道预留
  • 8.6.箱梁模板支立和钢筋绑扎
  • 8.7.梁体混凝土浇筑及养护
  • 8.8.拆摸顺序
  • 8.9.预应力施工
  • 9.连续钢构施工方法及工艺
  • 9.1.支架基底处理、支架计算与搭设
  • 9.2.支架预压和施工标高设计
  • 9.3.模板安装
  • 9.4.钢筋安装和绑扎
  • 9.5.混凝土灌注和养护
  • 9.6.拆模
  • 10.钢架施工方法及工艺
  • 10.1.基础施工
  • 10.2.钢架施工
  • 11.钢桁架施工方法及工艺
  • 12.连续梁转体施工
  • 12.1.钻孔桩
  • 12.2.承台
  • 12.3.上部连续梁施工
  • 13.制架梁施工方法及工艺
  • 14.桥面系施工方法及工艺
  • 14.1.防水层施工
  • 14.2.保护层施工
  • 14.3.角钢支架栏杆施工
  • 14.4.挡碴墙施工
  • 14.5.人行道步板施工
  • 14.6.电缆槽和接触网支柱基础施工
  • 15.框架桥施工方法及工艺
  • 15.1.基础施工
  • 15.2.框构桥身浇筑
  • 15.3.沉降缝、防水层
  • 16.涵洞施工方法及工艺
  • 16.1.框架涵施工
  • 16.2.圆涵施工
  • 16.3.顶进涵施工
  • 16.4.接长涵施工
  • 17.高性能混凝土施工技术措施
  • 17.1.施工前准备
  • 17.2.原材料管理
  • 17.3.配合比
  • 17.4.搅拌
  • 17.5.运输
  • 17.6.浇筑
  • 17.7.振捣
  • 17.8.养护
  • 18.墩台工后沉降控制技术措施
  • 19.大体积混凝土温控防裂技术措施
  • 19.1.减少混凝土的水化热,降低混凝土的内部温度
  • 19.2.排出混凝土内部的热量,降低混凝土内部的温度
  • 19.3.加强施工过程控制
  • 20.保证桥涵强度、刚度所采取的必要工程技术与工艺措施
  • 21.保证桥涵结构几何尺寸、变形、变位等要求所采取的必要工程技术与工艺措施
  • 22.跨(临近)既有 公路施工 防护措施
  • 22.1.基础施工防护
  • 22.2.墩身施工防护
  • 22.3.上部结构施工
  • 22.4.交通管制措施
  • 22.5.已浇梁段防护
  • 23.跨(临近)既有铁路施工防护措施
  • 23.1.桩基施工防护措施
  • 23.2.基坑开挖防护措施
  • 23.3.墩身施工防护保障措施
  • 23.4.支架现浇梁施工防护措施
  • 23.5.挂篮全封闭防护措施

附件详情

本标桥梁多处跨越既有公路、铁路及河流等,多设计为大跨度连续梁结构,共设连续梁9联,最大跨度为48+80+48m,本线桥梁工程具有施工复杂的特点,同时连续梁施工制约运架梁作业,工期较紧,连续梁基本同时施工。
【工程数量】
特大桥:7座/19653.29延长米 大桥:3座/310.38延长米
中桥:8座/387.37延长米 小桥:2座/23.82延长米
涵洞:42座/1791.22横延米
【桥梁结构】
双线特大桥、大桥上部结构:24m、32m简支箱梁,以32m为主跨梁型,
连续梁主要有:40+64+40m、48+80+48m、32+48+32m、32+40+32m、40+56+40m、2-66.75mT构、18.6+3×24+22.1m钢构、1-10m钢架、1-96m钢桁架;
单线特大桥上部结构:24m、32m简支箱梁桥,
单线大桥上部结构:40+56+40m连续梁;
梁下部结构主要有圆端形实体墩、圆端形空心墩、单圆柱墩、单线圆端形墩,Φ1.0m、Φ1.25m、Φ1.5m、Φ1.8m、Φ2.0m桩基础或扩大基础,矩形空心桥台等。
【所附表格】
桥梁工程:
主要项目施工方案表 明挖基础施工工艺流程图
钻孔桩施工工艺流程图 泥浆循环系统 平面布置图
岩溶地质钻孔桩施工工艺框图 承台施工工艺流程图
实体墩施工工艺流程图 实体墩模板示意图
空心墩翻模施工工艺流程图 架现浇梁施工工艺框图
支架搭设示意图 支架法现浇连续刚构施工工艺流程图
支架法现浇刚构连续梁施 下部转体系统布置图
工工艺流程图
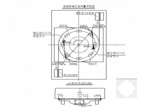
转体前牵引索布置图 上下转盘临时固结示意图
悬臂连续梁施工工艺图 挂篮构造图
挂篮预压布点示意图 合龙段施工工艺流程图
合龙体系转换施工工艺流程图 框构桥施工工艺流程图
圆涵施工工艺流程图 顶进涵施工工艺流程图
顶进涵施工防护示意图 棚架防护平面示意图
挂篮全封闭防护示意图
……
共计103页 (20)

支架搭设示意图

泥浆循环系统平面图

下部转体系统布置图

转体前牵引索布置图

挂篮构造图

顶进涵施工

挂篮施工

钻孔桩施工工艺图

熔岩地质钻孔桩施工工艺框图

支架现浇工艺框图

以下是附件的其中一部分截图,共6张,您也可以 搜索 更多您想要的资源
  • 双线、单线铁路特大桥工程总体施工方案(2013) - 1
    第 1 张图
  • 双线、单线铁路特大桥工程总体施工方案(2013) - 2
    第 2 张图
  • 双线、单线铁路特大桥工程总体施工方案(2013) - 3
    第 3 张图
  • 双线、单线铁路特大桥工程总体施工方案(2013) - 4
    第 4 张图
  • 双线、单线铁路特大桥工程总体施工方案(2013) - 5
    第 5 张图
  • 双线、单线铁路特大桥工程总体施工方案(2013) - 6
    第 6 张图
以上是部分截图,请下载附件后查看完整高清内容
网站首页  | 
本站所有内容均由网友自主分享,仅供学习和参考,如有侵权内容或者违法行为,请及时联系站长删除。