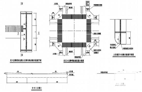
城市一级主干路工程施工图纸(75张道路交通工程排水)(cad设计图)
- 发布时间:2023-03-14
- 评论次数:0
- 浏览次数:0
- 文件大小:7.75 MB
- 收藏次数:0
-
文件名称:
附件-995798878556789899.rar
相关下载
- 城市主干路道路交通工程施工图纸设计.
- 城市主干路排水工程施工图纸设计.
- 城市主干路排水工程施工图纸设计.
- 城市主干路排水工程施工图纸设计.
- 城市主干路排水工程施工图纸设计32张.
- 城市一级主干路排水工程全套施工图纸(道路全长3930米).
- 城市一级主干路排水工程全套施工图纸(21张).
- 45m宽城市主干路工程施工方案图纸(73张)(cad设计图)
- 城市主干路渐变段交通工程施工图纸设计2021cad
- 城市主干路箱涵工程施工图纸设计.
- 城市主干路道路照明工程施工图纸设计.
- 城市主干路交通工程施工图纸设计16张.
- 城市主干路电缆沟工程施工图纸设计15张.
- 城市主干路通信工程施工CAD图纸设计17张
- 城市主干路路灯工程施工CAD图纸设计16张
- 城市支路道路交通工程施工图纸设计
- 城市主干路燃气工程施工大样图设计平面图
- 城市主干路消防工程施工大样图设计.
- 城市主干路交通工程施工大样图设计.
- 城市主干路道路工程施工大样图设计39张.
全部评论
评论网友评论仅友表达个人看法,并不表明本站同意其观点,不得发布违反法律法规的内容!
