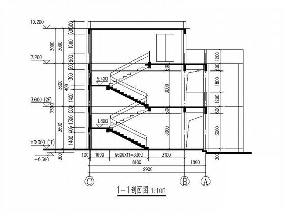
2层2班小型现代幼儿园建筑施工CAD图纸
- 发布时间:2023-02-12
- 评论次数:0
- 浏览次数:0
- 文件大小:1.16 MB
- 收藏次数:0
- 
								文件名称: 附件-995857980055500685800.zip 附件-995857980055500685800.zip
								相关下载
							
						- 2层2班小型现代幼儿园建筑施工CAD图纸
- 小型现代公厕建筑施工CAD图纸(高4.415米)
- 住宅楼区四班3层小型幼儿园建筑施工CAD图纸
- 5层现代风格小型办公楼建筑施工CAD图纸(含设计说明)
- 小型现代风格公厕建筑施工图纸_公厕平面图_立面图_cad
- 现代风格多层幼儿园电气施工CAD图纸
- 5层现代风格幼儿园建筑施工CAD图纸(教师宿舍楼)
- 2层现代风格乡镇幼儿园建筑施工CAD图纸
- 六班3层现代风格幼儿园建筑施工CAD图纸(节点详图)
- 3层现代风格幼儿园建筑设计CAD施工图纸
- 3层9班现代风格幼儿园建筑施工CAD图纸(混凝土砌块墙)
- 5层现代风格幼儿园建筑施工图纸cad平面图
- 830平4班小型幼儿园建筑设计图纸.dwg
- 六班小型幼儿园建筑扩初CAD图纸
- 3层现代风格幼儿园建筑施工CAD大样图(立面设计优秀)
- 3层现代风格社区幼儿园建筑施工CAD大样图
- 3层小型现代影剧院建筑设计方案设计CAD图纸
- 城市3层框架结构小型幼儿园建筑方案(多功能厅)
- 现代风格2层幼儿园建筑设计CAD方案.dwg
- 1100平现代化幼儿园建筑设计CAD方案.dwg
全部评论
						
							评论网友评论仅友表达个人看法,并不表明本站同意其观点,不得发布违反法律法规的内容!
						
						
 
	              	 
	              	 
	              	 
	              	 
	              	