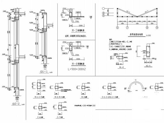
3层砖混结构医院门诊楼建筑结构CAD施工图纸
- 发布时间:2023-01-23
- 评论次数:0
- 浏览次数:0
- 文件大小:0.84 MB
- 收藏次数:0
- 
								文件名称: 附件-995879988099050509770.rar 附件-995879988099050509770.rar
								相关下载
							
						- 3层砖混结构医院门诊楼建筑结构CAD施工图纸
- 3层医院门诊砖混结构CAD施工图纸(含建筑)
- 2层砖混医院门诊结构CAD施工图纸(含建筑)
- 滕州市砖混结构3层医院门诊楼建筑施工CAD图纸(卫生间详图)
- 医院门诊楼人行天桥钢混组合结构CAD施工图纸
- 5层中医院门诊楼建筑结构施工图纸.
- 砖混结构别墅施工建筑结构CAD图纸
- 6层砖混住宅楼建筑楼建筑结构CAD施工图纸
- 医院框架门诊楼结构CAD施工图纸
- 砖混别墅建筑结构CAD图纸
- 砖混别墅建筑结构CAD图纸
- 6层砖混结构住宅楼建筑结构施工图纸
- 6层砖混结构住宅楼建筑结构CAD施工图纸
- 3层砖混结构住宅楼建筑结构CAD施工方案图纸
- 砖混结构7层教学楼建筑结构CAD施工图纸
- 砖混结构区中学办公楼建筑结构CAD施工图纸
- 砖混结构3层小型教学楼建筑结构CAD施工图纸
- 砖混结构坡屋面办公楼建筑结构CAD施工图纸
- 3层砖混结构办公楼建筑结构CAD施工图纸
- 6层砖混结构住宅楼建筑结构施工大样图
全部评论
						
							评论网友评论仅友表达个人看法,并不表明本站同意其观点,不得发布违反法律法规的内容!
						
						
 
	              	 
	              	 
	              	 
	              	 
	              	