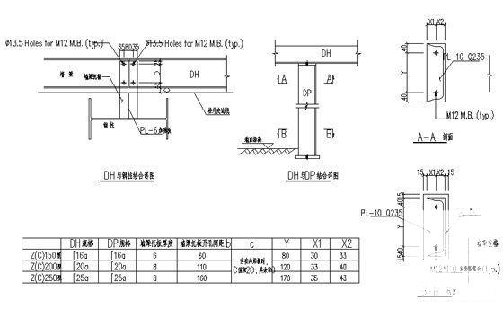
CAD图纸集门式刚架轻型单层钢结构厂房节点套CAD图纸CAD图纸集
- 发布时间:2023-01-17
- 评论次数:0
- 浏览次数:0
- 文件大小:0.98 MB
- 收藏次数:0
-
文件名称:
附件-995887596977909059950.rar
相关下载
- 门式刚架轻型单层钢结构厂房节点套CAD图纸CAD图纸集
- 公司门式刚架节点图纸集
- 门式刚架轻型房屋钢结构CAD标准图纸集之主结构分册
- 门式刚架轻型房屋钢结构CAD标准图纸集支撑分册
- 门式刚架轻型房屋钢结构CAD标准图纸集标准件分册
- 门式刚架轻型房屋钢结构CAD标准图纸集之标准件分册
- 单层轻型门式刚架钢结构电子厂房结构CAD施工图纸
- 4层门式刚架轻型厂房
- 单层门式刚架轻型房屋钢结构厂房施工组织设计
- 单层门式刚架钢结构厂房转换图
- 单层钢结构门式刚架厂房(21米跨)
- 带夹层单层钢结构门式刚架厂房
- 单层轻型门式刚架结构设计要点
- 单层门式刚架结构工业厂房节点详图纸
- 轻型门式刚架厂房结构CAD施工图纸
- 单层轻型门式刚架结构车间厂房结构CAD施工图纸
- 单层轻型门式刚架结构车间厂房结构CAD施工图纸
- 单层轻型门式刚架结构厂房改造CAD施工图纸2015
- 单层门式刚架轻型刚结构厂房CAD施工图纸
- 钢结构厂房结构CAD施工图纸(独立基础带吊车)(轻型门式刚架)
全部评论
评论网友评论仅友表达个人看法,并不表明本站同意其观点,不得发布违反法律法规的内容!
