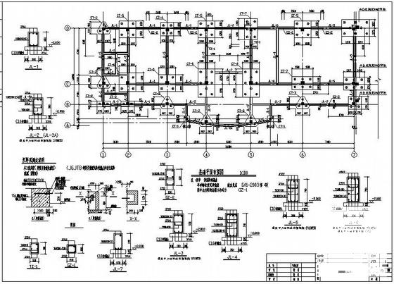
4层框架结构行政楼结构设计CAD施工图纸
- 发布时间:2023-01-09
- 评论次数:0
- 浏览次数:0
- 文件大小:0.82 MB
- 收藏次数:0
-
文件名称:
附件-995877075568798676657.rar
相关下载
- 地上5层框架结构行政楼结构设计施工图纸
- 6层框架结构行政楼结构设计施工图纸
- 行政办公楼框架结构开题报告
- 12层框架结构图纸书行政楼结构设计施工图纸
- 5层框架结构小学行政综合楼结构设计施工图纸
- 行政办公楼结构设计.pdf
- 行政办公楼结构设计.pdf
- 地上3层框架结构行政楼结构设计施工大样图
- 行政中心钢框架结构CAD施工图纸
- 5层框架结构行政办公楼CAD施工图纸(建筑图纸)
- 12层框架结构图纸书行政楼结构CAD施工图纸
- 五河小学行政框架结构办公楼结构设计方案CAD图纸
- 12层框架结构中学办公行政综合楼结构CAD施工图纸
- 独立基础钢框架结构行政中心办公楼结构CAD施工图纸
- 中学框架结构行政办公楼建筑施工CAD图纸(独立基础)
- 5层框架结构小学行政综合楼结构CAD施工图纸
- 小学行政综合楼框架结构CAD施工图纸
- 地上3层框架结构行政楼结构CAD施工大样图
- 行政楼混凝土施工方案
- 行政楼、教学楼建筑施工CAD图图纸
全部评论
评论网友评论仅友表达个人看法,并不表明本站同意其观点,不得发布违反法律法规的内容!
