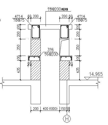
12层筏型基础框架酒店结构CAD施工图纸(7度抗震)(板配筋图)
- 发布时间:2022-11-23
- 评论次数:0
- 浏览次数:0
- 文件大小:2.11 MB
- 收藏次数:0
- 
								文件名称: 附件-995876587556767689606.rar 附件-995876587556767689606.rar
								相关下载
							
						- 地下室筏板基础结构CAD施工图纸(梁配筋图)
- 3层筏型基础框架结构别墅结构CAD施工图纸(楼梯配筋图)
- 9层框架结构住宅楼结构CAD施工图纸(筏型基础)(梁配筋图)
- 14层筏型基础框架剪力墙结构住宅楼结构CAD施工图纸(筏板配筋)
- 6层框架剪力墙住宅楼结构CAD施工图纸(筏型基础)(板配筋图)
- 6层条形基础框架保障性住房结构CAD施工图纸(7度抗震)(板配筋图)
- 独立基础单层框架井口等候室结构CAD施工图纸(7度抗震)(梁板配筋图)
- 3层独立基础框架图书馆结构CAD施工图纸(7度抗震)(板配筋图)
- 4层砖混结构别墅结构CAD施工图纸(筏形基础)(板配筋图)
- 筏板基础配筋施工图纸讲解(ppt,39页).
- 框剪会所结构CAD施工图纸(6层筏型基础)(梁配筋图)
- 18层剪力墙结构住宅楼结构CAD施工图纸(筏型基础)(二层梁板配筋)
- 单层砌体结构粮仓结构CAD施工图纸(毛石基础)(板配筋图)
- 7层筏形基础框架综合办公楼结构CAD施工图纸(7度抗震)(梁平法配筋图)
- 17层框架剪力墙住宅楼结构CAD施工图纸(独立基础)(筏板平面配筋图)
- 3层独立基础框架结构别墅结构CAD施工图纸(6度抗震)(楼梯配筋图)
- 33层框架结构住宅楼结构CAD施工图纸(桩基础)(梁板配筋图)
- 桩基础框架综合办公楼结构CAD施工图纸(8度抗震)(梁配筋图)
- 4层条形基础框架别墅结构CAD施工图纸(7度抗震)(楼板配筋图)
- 6层框架结构商厦结构CAD施工图纸(板配筋图)
全部评论
						
							评论网友评论仅友表达个人看法,并不表明本站同意其观点,不得发布违反法律法规的内容!
						
						
 
	              	 
	              	 
	              	