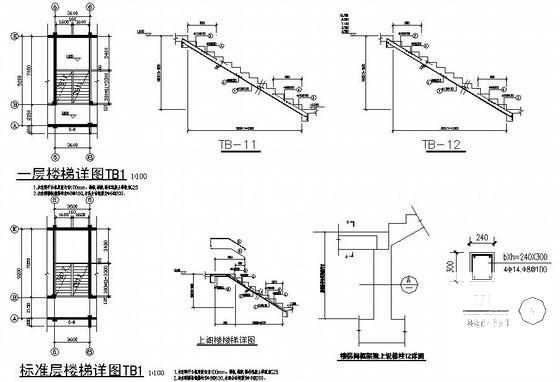
东至县框架结构中学教学楼结构设计方案CAD施工图纸
- 发布时间:2022-11-17
- 评论次数:0
- 浏览次数:0
- 文件大小:1.16 MB
- 收藏次数:0
- 
								文件名称: 附件-995877095086506780557.rar 附件-995877095086506780557.rar
								相关下载
							
						- 东至县中学教学楼结构设计CAD施工图纸
- 4层框架结构中学教学楼毕业设计方案CAD图纸
- 4层框架结构中学教学楼毕业设计方案
- 5层框架结构中学教学楼毕业设计方案(建筑)
- 中学框架结构教学楼毕业设计方案_CAD
- 中学教学楼框架结构毕业设计(结构设计方案CAD施工图纸)
- 4层框架结构中学教学楼毕业设计方案(建筑图纸、结构CAD图纸)
- 5层框架结构中学教学楼毕业设计方案CAD施工图纸
- 6层框架结构中学教学楼毕业设计方案(建筑施工CAD图纸).dwg
- 5层框架结构中学教学楼毕业设计方案图纸(建筑、结构)
- 中学教学楼框架结构毕业设计方案(建筑结构设计CAD图纸)
- 5层框架结构中学教学楼优秀毕业设计方案(建筑、结构)
- 中学教学楼毕业设计方案
- 中学教学楼毕业设计方案
- 6层框架结构中学教学楼毕业设计方案图纸(多层建筑)
- 3000平米4层框架结构中学教学楼毕业设计方案
- 6层混凝土框架结构中学教学楼毕业设计方案(word,187页)
- 实验中学教学楼毕业设计方案(建筑、结构CAD施工图纸)
- 4层框架结构教学楼结构CAD施工图纸(中学教学楼桩基础)
- 框架结构教学楼结构CAD施工图纸(4层中学教学楼)
全部评论
						
							评论网友评论仅友表达个人看法,并不表明本站同意其观点,不得发布违反法律法规的内容!
						
						
 
	              	 
	              	 
	              	