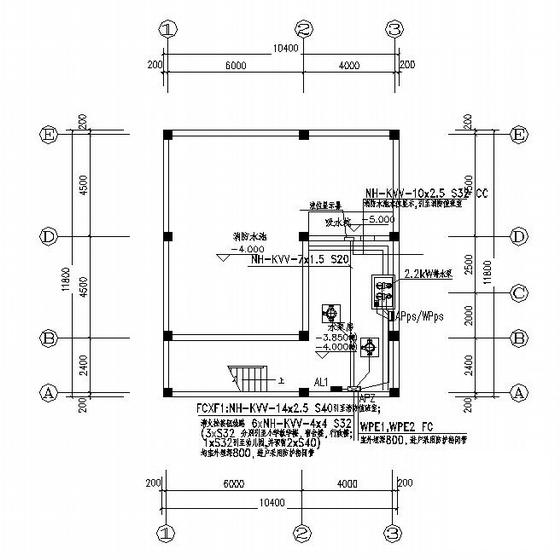
5层小学校宿舍楼和设备房电气CAD图纸
- 发布时间:2022-11-13
- 评论次数:0
- 浏览次数:0
- 文件大小:1.74 MB
- 收藏次数:0
- 
								文件名称: 附件-995856787876795506798.rar 附件-995856787876795506798.rar
								相关下载
							
						- 5层小学校宿舍楼和设备房电气CAD施工图纸(低压配电系统)
- 恒压供水设备房及配电房电气CAD施工图纸
- 学院宿舍楼电气CAD施工图纸(防雷设备安装)
- 大型地下室电气CAD施工图纸(车库、设备房、商铺)
- 配电房及设备基础布置电气设计CAD图纸
- 泵房设计cad图纸和建筑结构电气图,设备平面布置图
- 地下室及设备房电气施工大样图
- 药厂锅炉房设备CAD施工图纸
- 锅炉房辅助设备安装CAD详图纸
- 油罐设备房结构CAD施工图纸
- 油罐设备房结构CAD施工图纸.dwg
- 锅炉房设备拆除施工方案
- 职工食堂和宿舍楼电气设计.dwg
- 小学校园景观CAD图纸
- 弱电设备和电缆线路安装
- 宿舍楼电气
- 小学校4层教学楼电气设计CAD施工图纸
- 20196层住宅地下设备房电气施工图纸(全专业|设计院)
- 洗浴中心洗浴设备电气安装图纸
- 各种电气设备安装CAD图纸
全部评论
						
							评论网友评论仅友表达个人看法,并不表明本站同意其观点,不得发布违反法律法规的内容!
						
						
 
	              	 
	              	 
	              	