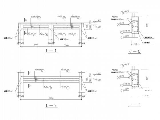
混凝土框架厂房增加设备改造加固CAD施工图纸
- 发布时间:2022-11-04
- 评论次数:0
- 浏览次数:0
- 文件大小:1.36 MB
- 收藏次数:0
- 
								文件名称: 附件-995877799976875887505.zip 附件-995877799976875887505.zip
								相关下载
							
						- 楼面增加设备结构加固CAD详图纸
- 混凝土框架结构厂房改造加固设计CAD施工图纸
- 老厂房的加固改造施工
- 浅谈混凝土结构的改造与加固
- 综合楼加层、增加楼梯改造加固CAD施工图纸(节点大样图)
- 私宅增加钢结构阳台改造设计图纸
- 跃层开洞部分增加楼板加固设计说明
- 钢结构厂房及设备基础改造设计实例
- 厂房框架改造工程
- 上15层框架结构增加电梯加固施(设计说明)
- 工业厂房改造中的钢筋混凝土结构加固
- 框架结构新增扶梯改造加固结构CAD施工图纸(混凝土)
- 混凝土结构厂房腐蚀鉴定及加固
- 2层写字楼内增加浴池加固设计施工图纸
- 框架结构加固改造设计说明
- 框架剪力墙加固改造设计说明
- 框架厂房建筑结构设备CAD图纸
- 别墅新增加电梯加固结构设计图纸
- 楼面增加荷载粘钢和增设钢梁加固节点CAD图纸
- 6层框架综合楼改造加固CAD施工方案图纸(钢筋混凝土结构)
全部评论
						
							评论网友评论仅友表达个人看法,并不表明本站同意其观点,不得发布违反法律法规的内容!
						
						
 
	              	 
	              	 
	              	 
	              	 
	              	