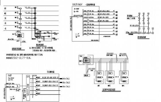
妇幼保健院5层框架结构住院楼电气CAD施工图纸(防雷接地系统)
- 发布时间:2022-11-01
- 评论次数:0
- 浏览次数:0
- 文件大小:0.56 MB
- 收藏次数:0
- 
								文件名称: 附件-995856855706987785965.rar 附件-995856855706987785965.rar
								相关下载
							
						- 部队医院5层住院楼电气CAD施工图纸(防雷接地系统)
- 部队医院5层住院楼电气CAD施工图纸(防雷接地系统)
- 3层医院住院部电气CAD施工图纸(防雷接地系统)
- 11层医院住院大楼电气CAD施工图纸(防雷接地系统等)()
- 医院4层住院大楼电气CAD施工图纸(防雷接地系统)
- 妇幼保健院5层住院楼电气CAD施工图纸
- 妇幼保健院门诊楼住院楼建筑施工CAD大样图
- 6层框架结构宾馆电气CAD施工图纸(防雷接地系统)
- 公厕电气CAD施工图纸(防雷接地系统)
- 6层框架结构服装厂厂房电气图纸(防雷接地系统等)
- 4层框架结构住宅楼小区电气设计CAD施工图纸(防雷接地系统)
- 框架结构5层教学楼电气设计CAD施工图纸(防雷接地系统)
- 框架结构4层教学楼电气设计CAD施工图纸(防雷接地系统)
- 7层框架结构商住楼电气设计CAD施工图纸(防雷接地系统)
- 医院7层框架结构科研后勤楼电气设计CAD施工图纸(防雷接地系统)
- 广场电气CAD图纸(防雷接地系统)
- 学院4层图纸书行政楼电气CAD施工图纸(防雷接地系统)
- 4层商住楼电气CAD施工图纸(防雷接地系统)
- 5层住宅楼电气设计CAD施工图纸(防雷接地系统)
- 5层宿舍楼电气设计CAD施工图纸(防雷接地系统)
全部评论
						
							评论网友评论仅友表达个人看法,并不表明本站同意其观点,不得发布违反法律法规的内容!
						
						
 
	              	 
	              	 
	              	