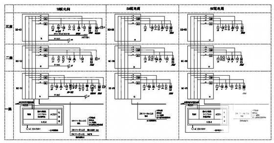
茶厂3层综合楼电气CAD施工图纸
- 发布时间:2022-11-01
- 评论次数:0
- 浏览次数:0
- 文件大小:4.15 MB
- 收藏次数:0
- 
								文件名称: 附件-995856659688785560677.zip 附件-995856659688785560677.zip
								相关下载
							
						- 2层砌体结构茶厂结构CAD施工图纸
- 带毗屋门式刚架茶厂生产车间结构CAD施工图纸
- 带毗屋门式刚架茶厂生产车间结构CAD施工大样图
- 2层砌体结构条形基础茶厂结构CAD施工图纸(6度抗震)(楼梯配筋图)
- 综合楼电气施工图纸.
- 综合楼电气全套
- 办公综合楼电气CAD图纸
- -大型综合楼电气CAD图纸
- 小学综合楼电气CAD图纸
- 电气综合楼高层CAD图纸
- 高层综合楼电气CAD图纸
- 综合楼电气CAD图纸
- 公司综合楼电气CAD图纸
- 学校综合楼电气CAD图纸
- 食堂综合楼电气CAD图纸
- 5层综合楼电气施工图纸全套
- 6层综合楼电气施工图纸
- 7层综合楼全套电气施工图纸
- 6层医院综合楼电气施工图纸
- 多层综合楼电气施工图纸
全部评论
						
							评论网友评论仅友表达个人看法,并不表明本站同意其观点,不得发布违反法律法规的内容!
						
						
 
	              	 
	              	 
	              	