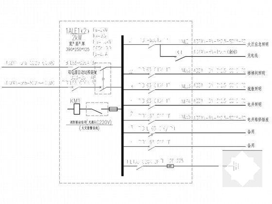
度假区11层宾馆大楼电气CAD施工图纸(防雷、负荷、电压降计算书)
- 发布时间:2022-10-17
- 评论次数:0
- 浏览次数:0
- 文件大小:4.63 MB
- 收藏次数:0
-
文件名称:
附件-995856597087987658785.rar
相关下载
- 度假区11层宾馆大楼全套电气施工CAD图纸(防雷、负荷、电压降计算书)
- 2016传媒影视办公综合楼电气CAD施工图纸(防雷、负荷计算书)
- 一类综合性高层建筑电气施工CAD图纸(负荷计算书、照度计算书)
- 临建生活区板房防雷接地布置CAD图纸(附计算书)
- 度假区高层住宅楼电气CAD施工图纸(一级负荷)
- 7区框架剪力墙结构宾馆结构设计计算书.dwg
- 达茂旗蒙医院大楼地暖采暖与通风CAD施工图图纸(详细水力计算书与负荷计算书)
- 度假住宅区地下车库电气CAD图纸(防雷接地设计)()
- 8层市级档案馆电气CAD施工图纸(防雷、照明计算书)
- 8层市级档案馆电气施工CAD图纸67张(防雷、照明计算书)
- 旅游度假区南门奇石钢结构CAD施工大样图(石头模型详细计算书).dwg
- 假日阳光宾馆工程设计计算书
- 城市酒店大楼结构设计计算书.doc
- 高层住宅区采暖通风设计CAD施工大样图(负荷计算书)
- 5层招待所电气设计CAD平面图(负荷计算书)
- 两层宾馆电气CAD施工图纸(三级负荷,第三类防雷)
- 上6层宾馆电气CAD施工图纸(三级负荷,第三类防雷).dwg
- 电气设计负荷计算软件
- 电气设计负荷计算软件
- 电气设计负荷计算软件
全部评论
评论网友评论仅友表达个人看法,并不表明本站同意其观点,不得发布违反法律法规的内容!
